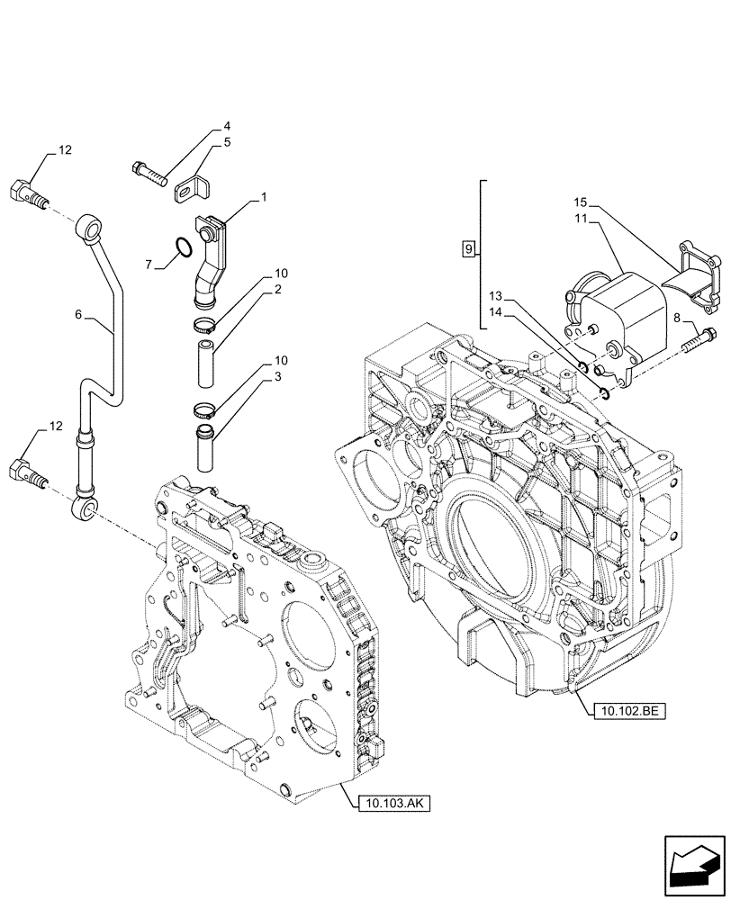
Запчасти Case F4HFE6131 B003 (10.304.AP) - BREATHER, ENGINE (10) - ENGINE

Схема запчастей Case F4HFE6131 B003 - (10.304.AP) - BREATHER, ENGINE (10) - ENGINE
10.103.ak
6
11
8
12
10
12
4
2
10
15
13
3
7
14
9
5
1
10.102.be
FIT
1:1
100%

Артикул

Название

Примечание

Количество

1

4897534

TUBE

1шт.

2

4897546

RUBBER SLEEVE

Alternative

1шт.

2

2854521

HOSE

Alternative

1шт.

3

4897547

TUBE

1шт.

4

4897537

SCREW

M6 x 1 x 10

1шт.

5

4897536

BRACKET

1шт.

6

4899219

TUBE

ASSY

1шт.

7

4898439

O-RING,20.29mm ID x 2.62mm Width

1шт.

8

4899092

SCREW,Hex Flg, M6 x 1 x 25

3шт.

9

4892871

BREATHER

ASSY, Incl 11 - 15

1шт.

10

4893234

HOSE CLAMP

Alternative

2шт.

11

2830307

BREATHER

1шт.

12

2852772

BANJO BOLT

2шт.

13

4898372

O-RING,13.11mm ID x 2.62mm Width

1шт.

14

2830304

O-RING

1шт.

15

2830302

COVER

1шт.

Выбрано товаров: 16