Качественные детали и логистика
Оригинальные и аналоговые запчасти с доставкой по России, Казахстану и Беларуси
©2022 PartSell ООО "Система" ИНН 2463123282 ОГРН 1212400004838
Центральный офис: г. Красноярск, Академика Киренского, д.87, пом.4
Телефон: 8 (800) 777-65-74 Email: zakaz@partsell.ru
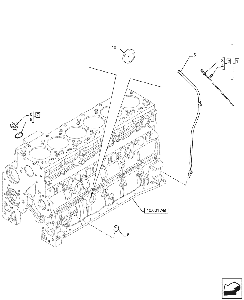
(10.304.AJ) - ENGINE OIL, DIPSTICK
№
Артикул
Название
Примечание
Количество
1
2855212
ASSY, Incl 2 - 5
1шт.
2
2855215
DIPSTICK
ASSY, Incl 3, 4
3
4898502
O-RING,0.364" ID x 0.504" OD x 0.07"
4
NSS
NOT SOLD SEPARAT
Handgrip, Incl in 1
5
2855213
TUBE
6
4895406
EXPANSION PLUG,9.8mm OD
3шт.
7
4897330
HEX SOCKET PLUG,M12 x 1.5
ASSY, Incl 6, 7
2шт.
8
Plug, Incl in 7
9
4895610
O-RING,2.2mm Thk x 9.3mm ID
10
4895037
EXPANSION PLUG,32.03mm
Выбрано товаров: 0