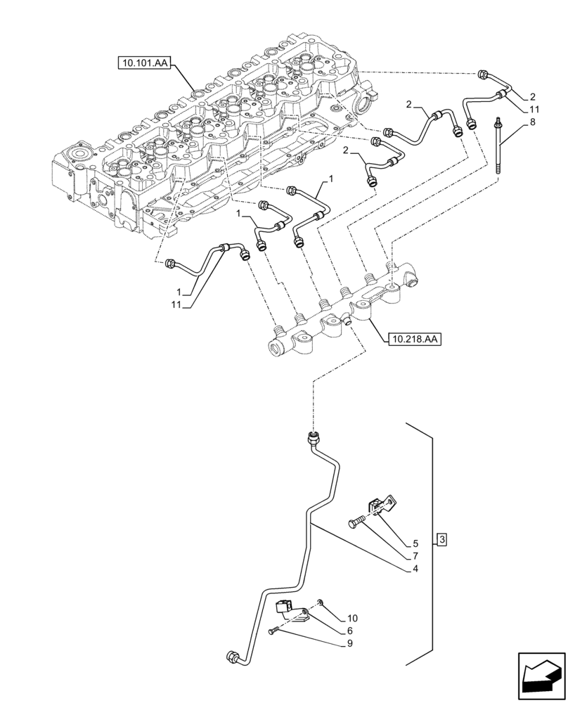
Запчасти Case F4HFE6136 B003 (10.218.AI[01]) - INJECTION PIPE (10) - ENGINE

Схема запчастей Case F4HFE6136 B003 - (10.218.AI[01]) - INJECTION PIPE (10) - ENGINE
5
3
10.218.aa
2
1
10
4
8
11
2
1
9
10.101.aa
6
1
2
7
11
FIT
1:1
100%

Артикул

Название

Примечание

Количество

1

2857017

PIPE

3шт.

2

2857046

PIPE

3шт.

3

2857048

PIPE

ASSY, Incl 4 - 7, 10

1шт.

4

2854553

TUBE

1шт.

5

2854556

CLAMP BRACKET

2шт.

5

2854558

RUBBER SEAL

2шт.

6

2854557

CLAMP BRACKET

2шт.

6

2854555

CLAMP BRACKET

1шт.

6

2855127

CLAMP BRACKET

1шт.

7

2854559

SCREW

2шт.

8

2853537

BOLT,Hex Flange Head Cap M8 x 1.25 x 125mm

4шт.

9

4896884

BOLT,Flng, M8 x 1.25 x 16mm, Cl 10.9

1шт.

9

4899020

FLANGE BOLT,Hex, M8 x 1.25 x 20mm

1шт.

10

NSS

NOT SOLD SEPARAT

Incl in 3

1шт.

11

2854548

SILENTBLOC

Isolator vibration

1шт.

Выбрано товаров: 15