Качественные детали и логистика
Оригинальные и аналоговые запчасти с доставкой по России, Казахстану и Беларуси
©2022 PartSell ООО "Система" ИНН 2463123282 ОГРН 1212400004838
Центральный офис: г. Красноярск, Академика Киренского, д.87, пом.4
Телефон: 8 (800) 777-65-74 Email: zakaz@partsell.ru
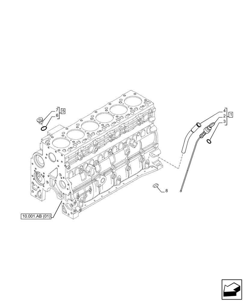
(10.304.AS) - DIPSTICK
№
Артикул
Название
Примечание
Количество
1
47584947
PIPE
ASSY, Incl 2 - 4
1шт.
2
2859204
DIPSTICK
3
4898502
O-RING,0.364" ID x 0.504" OD x 0.07"
4
NSS
NOT SOLD SEPARAT
Sleeve, Incl in 1
5
4897330
HEX SOCKET PLUG,M12 x 1.5
ASSY, Incl 6, 7
6
4895610
O-RING,2.2mm Thk x 9.3mm ID
2шт.
7
Plug, Incl in 5
8
4895406
EXPANSION PLUG,9.8mm OD
3шт.
Выбрано товаров: 0