Запчасти Case F4HFE613A B004 (55.015.AA) - ENGINE CONTROL UNIT (ECU) (55) - ELECTRICAL SYSTEMS

Схема запчастей Case F4HFE613A B004 - (55.015.AA) - ENGINE CONTROL UNIT (ECU) (55) - ELECTRICAL SYSTEMS
6
13
5
4
8
2
12
3
10
1
11
7
8
8
4
9
10.001.ad (01)
3
FIT
1:1
100%

Артикул

Название

Примечание

Количество

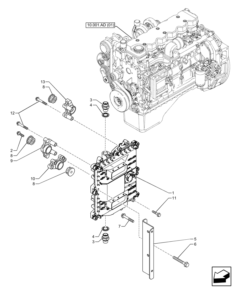
1

84499733

ECU

1шт.

2

87016559

SELF-TAP SCREW,HWH, M5.5 x 15mm

2шт.

3

47581921

FITTING

1шт.

4

4858609

WASHER,Brass

1шт.

5

47581881

SUPPORT

1шт.

5

47581890

BRACKET

1шт.

6

4899078

SCREW,Hex Flg, M8 x 1.25 x 45

3шт.

7

2852101

FLANGE BOLT,Hex, M6 x 16mm

2шт.

8

2855150

INSULATOR BLOCK

6шт.

9

47581883

BRACKET

1шт.

10

504297839

BRACKET

1шт.

11

2852818

SCREW,Hex, M6 x 1 x 30mm

M16 x 1 x 130mm

2шт.

12

17935001

SELF-TAP SCREW,Hex Flng, M5.5 x 1.8 x 45mm

4шт.

13

504368710

BRACKET

1шт.

Выбрано товаров: 14