Запчасти Case F4HFE613B B006 (10.103.AK) - ENGINE FLYWHEEL (10) - ENGINE

Схема запчастей Case F4HFE613B B006 - (10.103.AK) - ENGINE FLYWHEEL (10) - ENGINE
10.102.ak
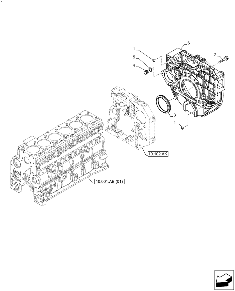
1
10.001.ab (01)
5
1
3
2
4
6
FIT
1:1
100%

Артикул

Название

Примечание

Количество

1

4899026

DOWEL,M18 x 10

2шт.

2

4899145

BOLT,Flng, M12 x 1.75 x 100mm

2шт.

2

4899077

SCREW

1шт.

2

4899076

SCREW,Hex Flg, M12 x 1.75 x 80

6шт.

2

4892915

FLANGE BOLT,Hex, M10 x 1.5 x 40mm

9шт.

2

4899109

SCREW,Hex, M10 x 1.5 x 80

2шт.

2

4899122

BOLT,Flng, M10 x 1.5 x 110mm

1шт.

3

84575645

OIL SEAL,130mm ID x 155mm OD x 16mm Thk

1шт.

4

4895378

BUTTON PLUG,M29.2

1шт.

5

4895379

O-RING,21.82mm ID x 3.53mm Width

1шт.

6

2859196

HOUSING

1шт.

Выбрано товаров: 11