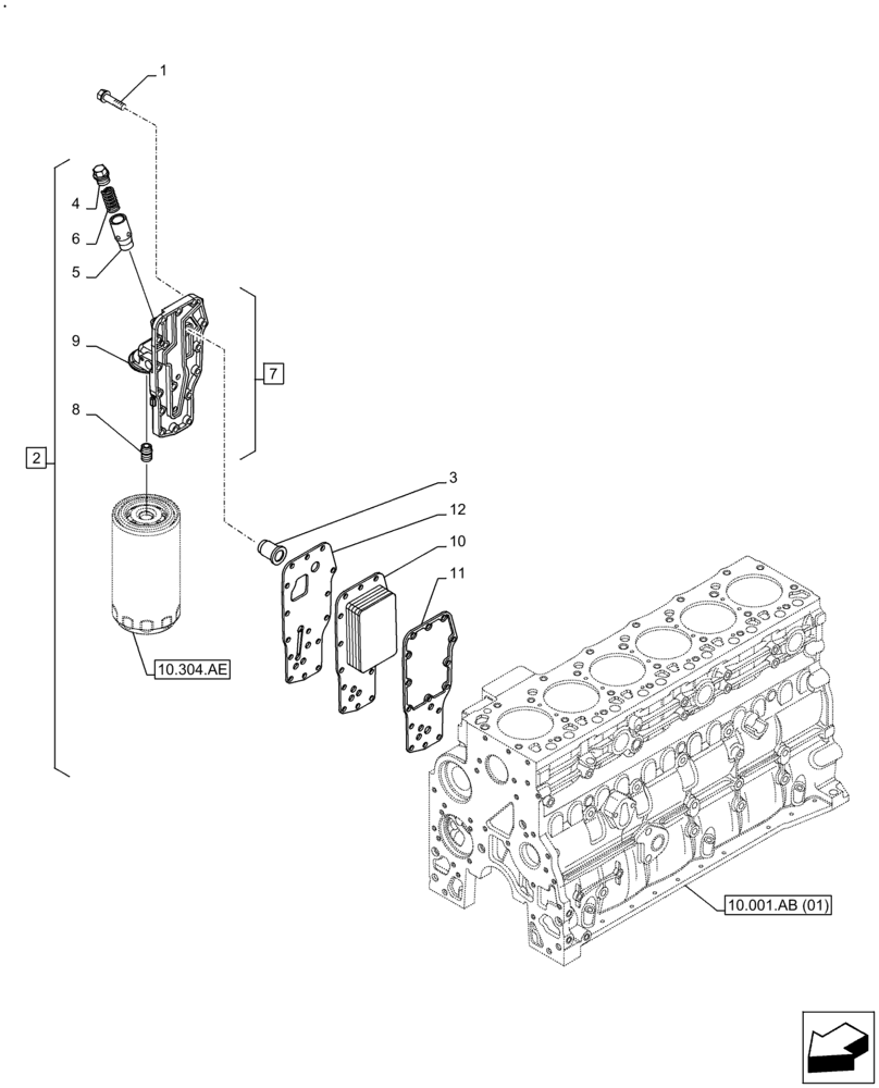
Запчасти Case F4HFE613B B006 (10.408.AO) - OIL COOLER (10) - ENGINE

Схема запчастей Case F4HFE613B B006 - (10.408.AO) - OIL COOLER (10) - ENGINE
10.001.ab (01)
8
6
10.304.ae
10
9
12
3
11
1
5
2
7
4
FIT
1:1
100%

Артикул

Название

Примечание

Количество

1

4899019

SCREW,Hex Flg, M8 x 1.25 x 35

15шт.

2

2853780

FILTER HEAD

Assy, Incl 3 - 7

1шт.

3

J936365

VALVE PRESSURE RELIE

1шт.

4

2853781

PLUG,Hex, M22 x 1.5 ORB

1шт.

5

4896404

PLUNGER,10mm ID, 12mm OD, 15.44mm ID, 18.26mm OD

1шт.

6

4895045

SPRING,Compression, 14.7mm OD x 66mm L

1шт.

7

4899566

FILTER HEAD

Assy, Incl 8, 9

1шт.

8

4893391

ADAPTER,M24 x 2 x M27 x 2

1шт.

9

NSS

NOT SOLD SEPARAT

Housing, Incl in 7

1шт.

10

4896407

OIL COOLER

Alternative to 2853604

1шт.

10

2853604

OIL COOLER

Alternative to 4896407

1шт.

11

2830559

GASKET,0.5mm Thk

1шт.

12

4896409

GASKET,1.55mm Thk

1шт.

Выбрано товаров: 13