Запчасти Case F4HFE613C B004 (10.102.AK) - CRANKCASE, CRANKCASE (10) - ENGINE

Схема запчастей Case F4HFE613C B004 - (10.102.AK) - CRANKCASE, CRANKCASE (10) - ENGINE
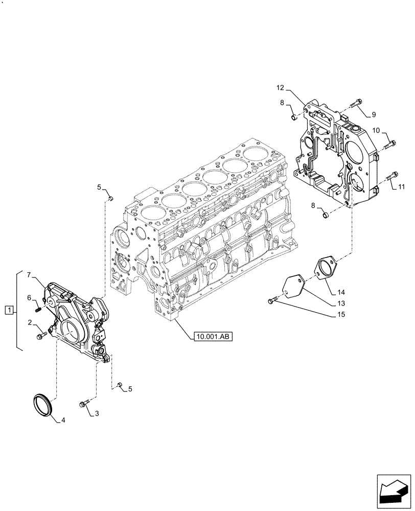
11
4
14
7
8
10.001.ab
12
2
3
5
6
1
15
10
5
9
13
8
FIT
1:1
100%

Артикул

Название

Примечание

Количество

1

4897026

COVER

ASSY, Incl 2, 6, 7

1шт.

2

4899078

SCREW,Hex Flg, M8 x 1.25 x 45

M8 x 1.25 x 45

5шт.

3

4899063

SCREW,Hex Flg, M8 x 1.25 x 30

M8 x 1.25 x 30

8шт.

4

84575644

OIL SEAL,70mm ID x 100mm OD x 16mm Thk

1шт.

5

4891209

DOWEL,M13 x 8 L

2шт.

6

2852208

INSERT

M10 x 1.5 x 18

2шт.

7

NSS

NOT SOLD SEPARAT

Cover, Incl in 1

1шт.

8

4899026

DOWEL,M18 x 10

2шт.

9

4899078

SCREW,Hex Flg, M8 x 1.25 x 45

M8 x 1.25 x 45

4шт.

10

4899093

BOLT,Hex Flange, M10 x 30.00mm, Cl 10.9, PHC

2шт.

10

4899073

SCREW,Hex Flg, M12 x 1.75 x 30

M12 x 1.75 x 30

1шт.

11

4896939

SCREW,M10 x 1.5 x 50mm

M10 x 1.5 x 50

3шт.

12

2859269

HOUSING

1шт.

13

2852175

COVER

1шт.

14

4896897

GASKET,1.35mm Thk

1шт.

15

4899037

SCREW

M12 x 1.75 x 25

2шт.

Выбрано товаров: 16