Запчасти Case F4HFE613D B006 (10.218.AQ) - FUEL INJECTION PUMP (10) - ENGINE

Схема запчастей Case F4HFE613D B006 - (10.218.AQ) - FUEL INJECTION PUMP (10) - ENGINE
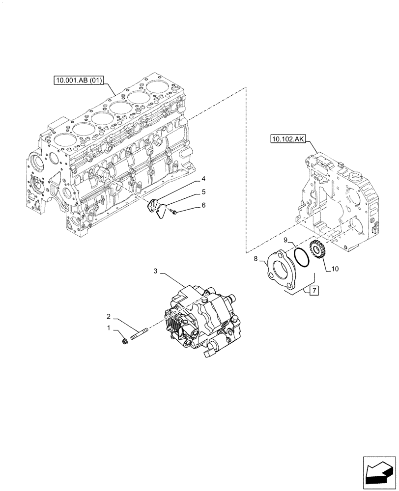
1
6
5
4
10.001.ab (01)
3
9
7
2
10
10.102.ak
8
FIT
1:1
100%

Артикул

Название

Примечание

Количество

1

4899003

FLANGE NUT,M8 x 1.25

3шт.

1

17044735

NUT,Hex, M8

3шт.

2

2852488

STUD,M8 x 1,25 x 50mm

M8 x 1.25 x 50

3шт.

2

16747224

STUD

3шт.

3

47669601

FUEL INJECTION PUMP

1шт.

3

5801633945

FUEL PUMP

1шт.

4

4890700

GASKET,1.21mm Thk

1шт.

5

4896952

COVER

1шт.

6

2852234

FLANGE BOLT,Hex, M8 x 1.25 x 20mm

2шт.

6

16673635

BOLT,Hex, M8 x 1.25 x 20mm, Full Thd

2шт.

7

2852804

HUB

ASSY, Incl 8, 9

1шт.

7

504041278

HUB

1шт.

8

2852806

ADAPTER

1шт.

9

2852805

O-RING,2.6mm Thk x 72.6mm ID

M72.69 x 2.62

1шт.

9

17285381

O-RING

1шт.

10

4893389

DRIVEN GEAR,27T

1шт.

Выбрано товаров: 16