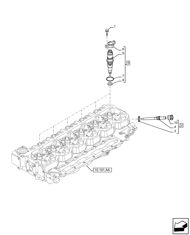
Запчасти Case F4HFE613D B007 (10.218.AF) - FUEL INJECTOR (10) - ENGINE

Схема запчастей Case F4HFE613D B007 - (10.218.AF) - FUEL INJECTOR (10) - ENGINE
10.101.aa
2
4
9
6
10
7
5
8
3
1
FIT
1:1
100%

Артикул

Название

Примечание

Количество

1

4895483

BOLT,Flng, M6 x 1 x 35mm

12шт.

2

2854606

FUEL TUBE,Connector Assembly

6шт.

3

4890929

O-RING,3mm Thk x 11mm ID

1шт.

4

2854607

HYD CONNECTOR

Fitting, Incl in 2

1шт.

5

2855135

FUEL SYSTEM INJECTOR

6шт.

6

2854609

BRACKET

1шт.

7

4890926

O-RING,3mm Thk x 20.9mm ID, 60 Duro

1шт.

8

4899689

SEALING WASHER,7mm ID x 15mm OD x 1.5mm Thk

1шт.

9

2856203

FUEL SYSTEM INJECTOR

Injector, Incl in 5

1шт.

10

4893739

TUBE NUT,Hex, M22 x 1.5

6шт.

Выбрано товаров: 10