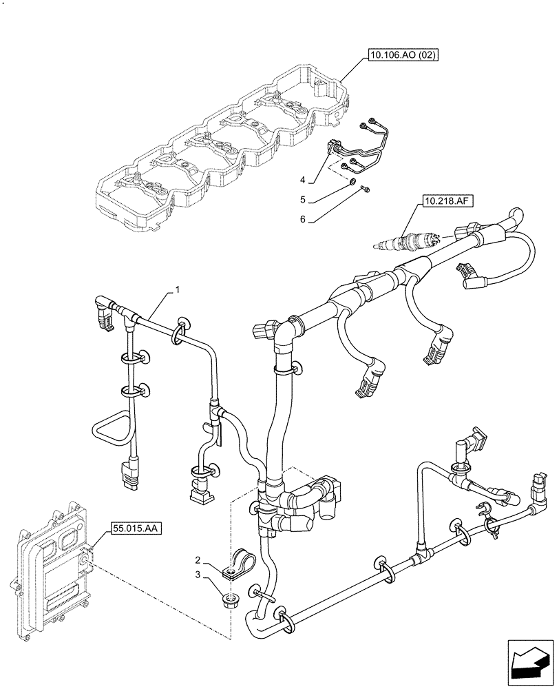
Запчасти Case F4HFE613D B007 (55.010.AA) - WIRE HARNESS (55) - ELECTRICAL SYSTEMS

Схема запчастей Case F4HFE613D B007 - (55.010.AA) - WIRE HARNESS (55) - ELECTRICAL SYSTEMS
55.015.aa
4
3
6
2
5
10.218.af
1
10.106.ao (02)
FIT
1:1
100%

Артикул

Название

Примечание

Количество

1

5801715409

WIRE HARNESS

1шт.

2

NS

NOT SERVICED

Clamp

2шт.

3

NS

NOT SERVICED

Nut

3шт.

4

47401109

WIRE HARNESS

3шт.

5

2852776

WASHER,6mm ID x 11mm OD

3шт.

6

2852602

HEX SOC SCREW,M6 x 16mm

3шт.

Выбрано товаров: 6