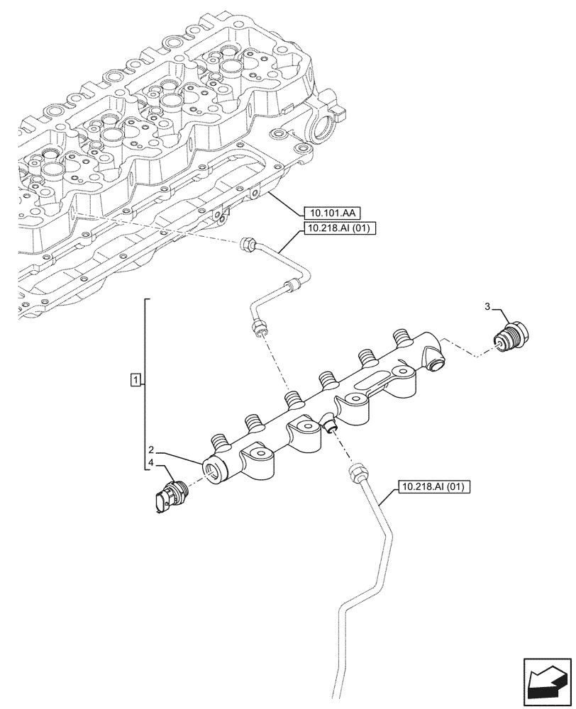
Запчасти Case F4HFE613F B004 (10.218.AA) - FUEL SYSTEM INJECTOR, LINE (10) - ENGINE

Схема запчастей Case F4HFE613F B004 - (10.218.AA) - FUEL SYSTEM INJECTOR, LINE (10) - ENGINE
10.218.ai (01)
2
1
3
4
10.101.aa
10.218.ai (01)
FIT
1:1
100%

Артикул

Название

Примечание

Количество

1

2859144

MANIFOLD

ASSY, Incl 2 - 4

1шт.

2

2854541

ACCUMULATOR

1шт.

3

2854543

VALVE PRESSURE RELIE

1шт.

4

2859145

SENSOR

1шт.

Выбрано товаров: 4