Качественные детали и логистика
Оригинальные и аналоговые запчасти с доставкой по России, Казахстану и Беларуси
©2022 PartSell ООО "Система" ИНН 2463123282 ОГРН 1212400004838
Центральный офис: г. Красноярск, Академика Киренского, д.87, пом.4
Телефон: 8 (800) 777-65-74 Email: zakaz@partsell.ru
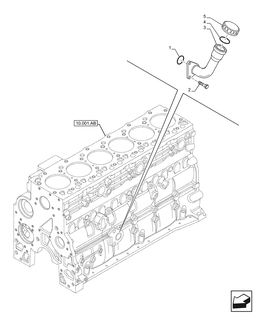
(10.304.AJ) - OIL FILTER, DIPSTICK
№
Артикул
Название
Примечание
Количество
1
2852135
O-RING,2.6mm Thk x 37.7mm ID
1шт.
2
2852134
FLANGE BOLT,Hex, M12 x 1.75 x 25mm
2шт.
3
2859216
TUBE
4
2853412
O-RING,0.21" Thk x 1.475" ID
5
2853410
FILLER CAP,Female
Выбрано товаров: 0