Качественные детали и логистика
Оригинальные и аналоговые запчасти с доставкой по России, Казахстану и Беларуси
©2022 PartSell ООО "Система" ИНН 2463123282 ОГРН 1212400004838
Центральный офис: г. Красноярск, Академика Киренского, д.87, пом.4
Телефон: 8 (800) 777-65-74 Email: zakaz@partsell.ru
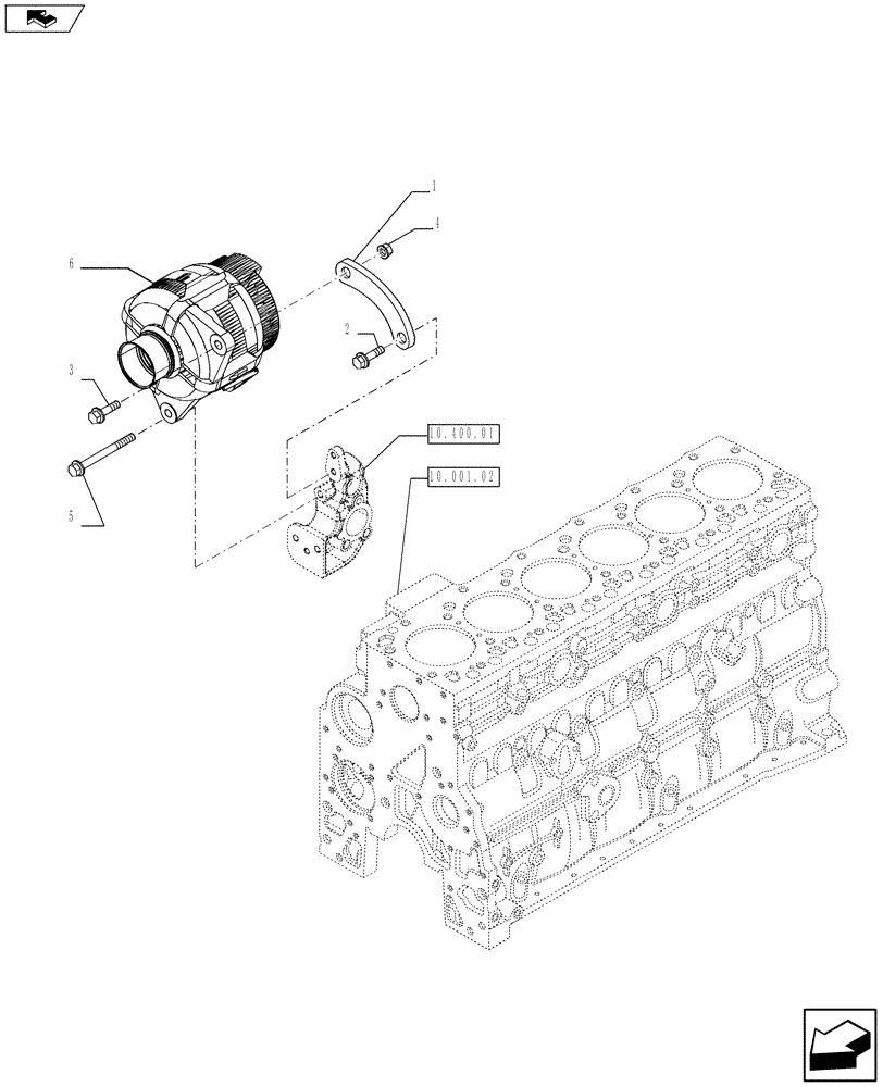
(55.301.01) - ALTERNATOR (4892317 - 504328894)
№
Артикул
Название
Примечание
Количество
1
2857012
BRACKET
1шт.
2
4895291
SCREW,Hex Flg, M10 x 1.5 x 20
3
4899093
BOLT,Hex Flange, M10 x 30.00mm, Cl 10.9, PHC
4
4895166
FLANGE NUT,M10, 1.50mm Pitch, Cl 10
M10 x 1.5
5
4899122
BOLT,Flng, M10 x 1.5 x 110mm
6
4892318
ALTERNATOR,24V, 70A, W/ Pulley
ASSY - 70 AMP
Выбрано товаров: 0