Запчасти Case F4HFE613R A003 (10.254.04) - INTAKE MANIFOLD - HEATER (504116855) ENGINE COMPONENTS

Схема запчастей Case F4HFE613R A003 - (10.254.04) - INTAKE MANIFOLD - HEATER (504116855) ENGINE COMPONENTS
2
home
3
10.101.01
10.254.01
1
FIT
1:1
100%

Артикул

Название

Примечание

Количество

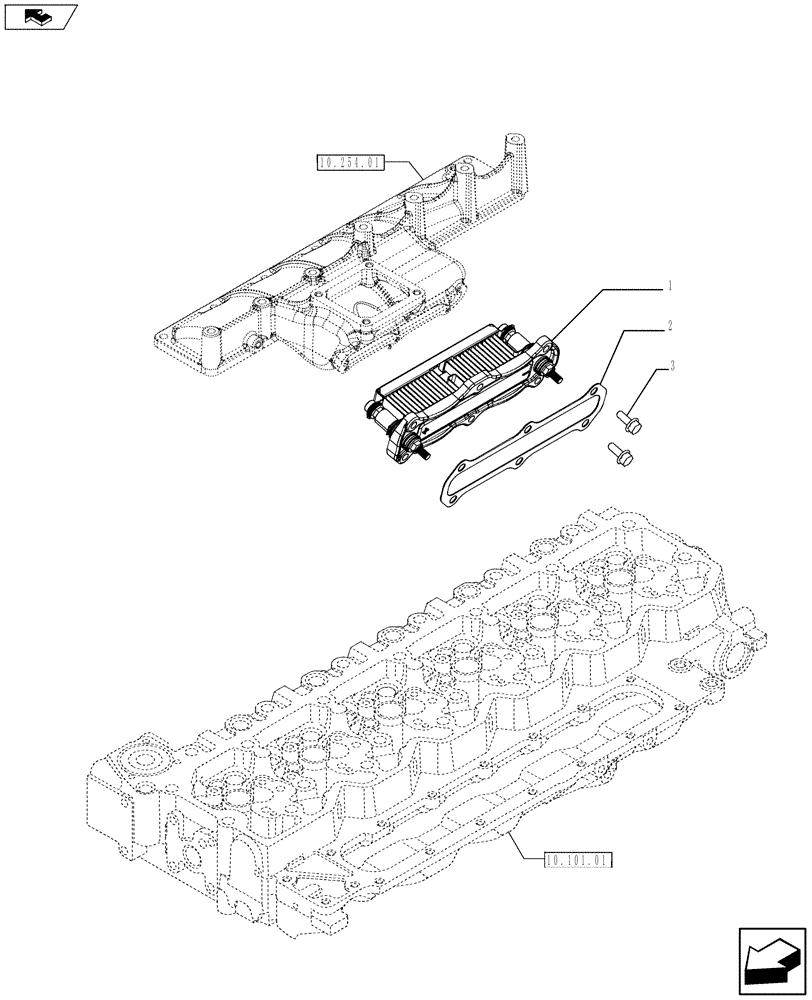
1

87300128

HEATER,24V, 2400W

1шт.

2

2854701

GASKET,0.8mm Thk

1шт.

3

16585724

BOLT,M6 x 16mm, Cl 8.8

6шт.

Выбрано товаров: 3