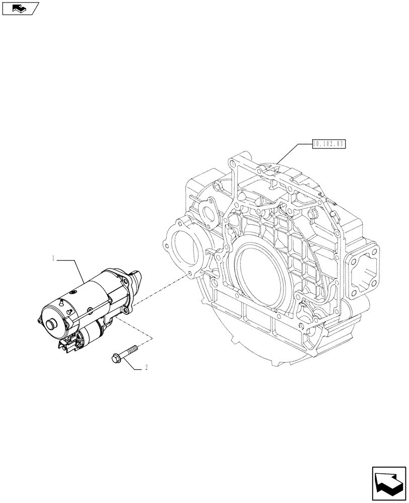
Запчасти Case F4HFE613R A003 (55.201.01) - STARTER MOTOR (504037284 - 504028114) ELECTRICAL AND HYDRAULIC COMPONENTS

Схема запчастей Case F4HFE613R A003 - (55.201.01) - STARTER MOTOR (504037284 - 504028114) ELECTRICAL AND HYDRAULIC COMPONENTS
1
2
home
10.102.03
FIT
1:1
100%

Артикул

Название

Примечание

Количество

1

84377568

STARTER MOTOR,24V, 4kW

ASSY

1шт.

84377568R

REMAN-STARTER,24V, 4kW

SK260-9 ACERA MARK 9 EXCAVATOR TIER 4 ASN LL14U1700 (3/11-)

1шт.

84377568C

CORE-STARTER,24V, 4kW

Return Number

1шт.

2

16587224

SCREW,M10 x 30mm

3шт.

Выбрано товаров: 0