Качественные детали и логистика
Оригинальные и аналоговые запчасти с доставкой по России, Казахстану и Беларуси
©2022 PartSell ООО "Система" ИНН 2463123282 ОГРН 1212400004838
Центральный офис: г. Красноярск, Академика Киренского, д.87, пом.4
Телефон: 8 (800) 777-65-74 Email: zakaz@partsell.ru
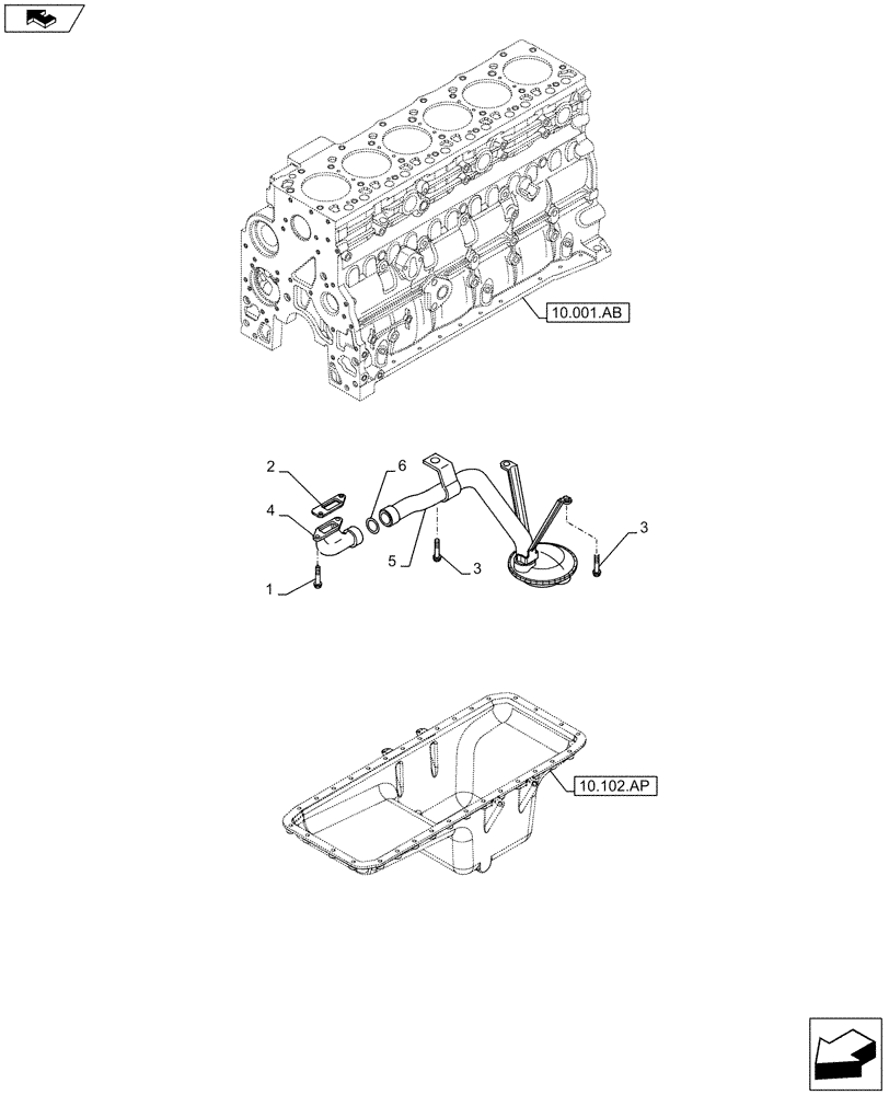
(10.304.AL) - OIL PUMP & LINES
№
Артикул
Название
Примечание
Количество
1
4899020
FLANGE BOLT,Hex, M8 x 1.25 x 20mm
2шт.
2
4898301
GASKET,0.42mm Thk
1шт.
3
4895291
SCREW,Hex Flg, M10 x 1.5 x 20
3шт.
4
2852238
ELBOW
5
2852770
STRAINER ELEMENT
6
2852237
SEALING RING
Выбрано товаров: 0