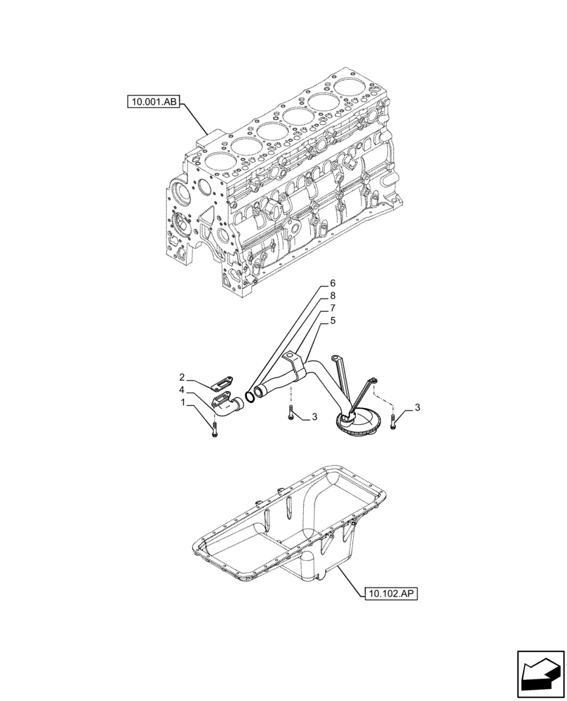
Запчасти Case F4HFE613R B006 (10.304.AL) - OIL PUMP & LINES (10) - ENGINE

Схема запчастей Case F4HFE613R B006 - (10.304.AL) - OIL PUMP & LINES (10) - ENGINE
7
3
10.001.ab
10.102.ap
5
4
1
6
2
8
3
FIT
1:1
100%

Артикул

Название

Примечание

Количество

1

4899020

FLANGE BOLT,Hex, M8 x 1.25 x 20mm

2шт.

2

4898301

GASKET,0.42mm Thk

1шт.

2

2852217

SIEVE

1шт.

3

4895291

SCREW,Hex Flg, M10 x 1.5 x 20

3шт.

4

2852238

ELBOW

1шт.

5

2852770

STRAINER ELEMENT

1шт.

5

2852216

TUBE

1шт.

5

2852226

TUBE

1шт.

6

2852237

SEALING RING

1шт.

7

2852261

BRACKET

1шт.

7

2852423

BRACKET

1шт.

8

2852771

BRACKET

1шт.

Выбрано товаров: 12