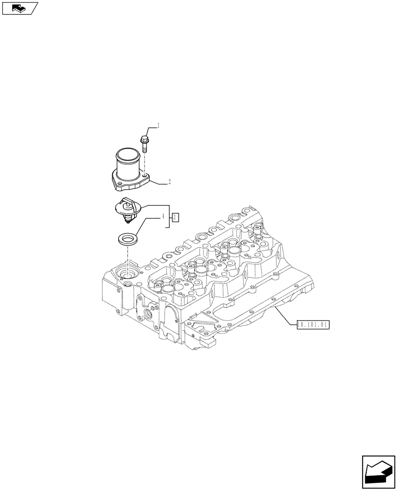
Запчасти Case F4HFE613S A002 (10.402.01) - THERMOSTAT - ENGINE COOLING SYSTEM (2858073 - 2854096) (10) - ENGINE

Схема запчастей Case F4HFE613S A002 - (10.402.01) - THERMOSTAT - ENGINE COOLING SYSTEM (2858073 - 2854096) (10) - ENGINE
3
10.101.01
home
4
1
2
FIT
1:1
100%

Артикул

Название

Примечание

Количество

1

4899110

SCREW,Hex Flg, M6 x 1 x 20

3шт.

2

4895131

HOUSING

1шт.

3

84322388

THERMOSTAT

ASSY

1шт.

4

84325989

SEAL

1шт.

Выбрано товаров: 4