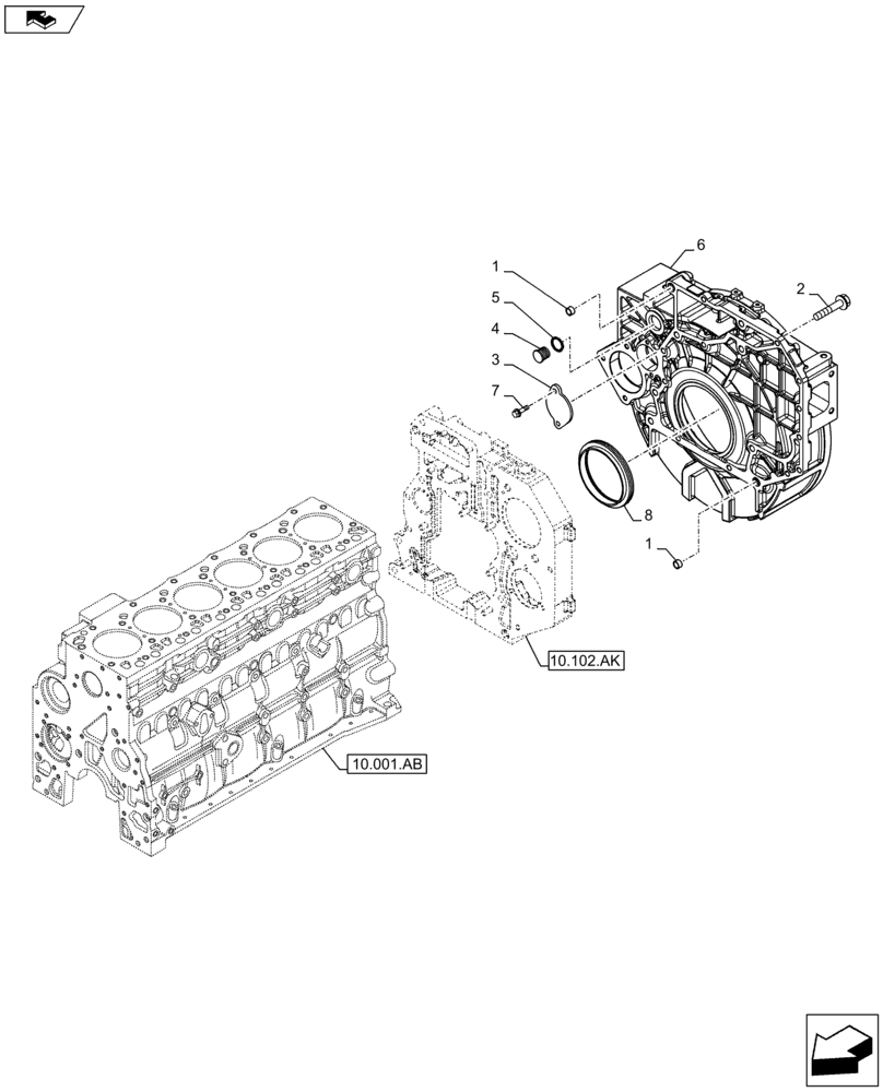
Запчасти Case F4HFE613S B004 (10.103.AK) - FLYWHEEL & HOUSING (10) - ENGINE

Схема запчастей Case F4HFE613S B004 - (10.103.AK) - FLYWHEEL & HOUSING (10) - ENGINE
6
2
10.102.ak
7
home
3
4
1
1
5
10.001.ab
8
FIT
1:1
100%

Артикул

Название

Примечание

Количество

1

4899026

DOWEL,M18 x 10

2шт.

2

4899109

SCREW,Hex, M10 x 1.5 x 80

M10 x 1.5 x 80

2шт.

2

4892915

FLANGE BOLT,Hex, M10 x 1.5 x 40mm

M10 x 1.5 x 40

10шт.

2

4899076

SCREW,Hex Flg, M12 x 1.75 x 80

M12 x 1.75 x 80

6шт.

2

4897499

SCREW,Hex, M12 x 1.75 x 110mm

2шт.

3

4895155

COVER

1шт.

4

4895378

BUTTON PLUG,M29.2

1шт.

5

4895379

O-RING,21.82mm ID x 3.53mm Width

ID = 21.82 x 3.53

1шт.

6

2852425

HOUSING

1шт.

7

4899068

BOLT,Flng, M8 x 1.25 x 16mm

M8 x 1.25 x 16

2шт.

8

84575645

OIL SEAL,130mm ID x 155mm OD x 16mm Thk

1шт.

Выбрано товаров: 11