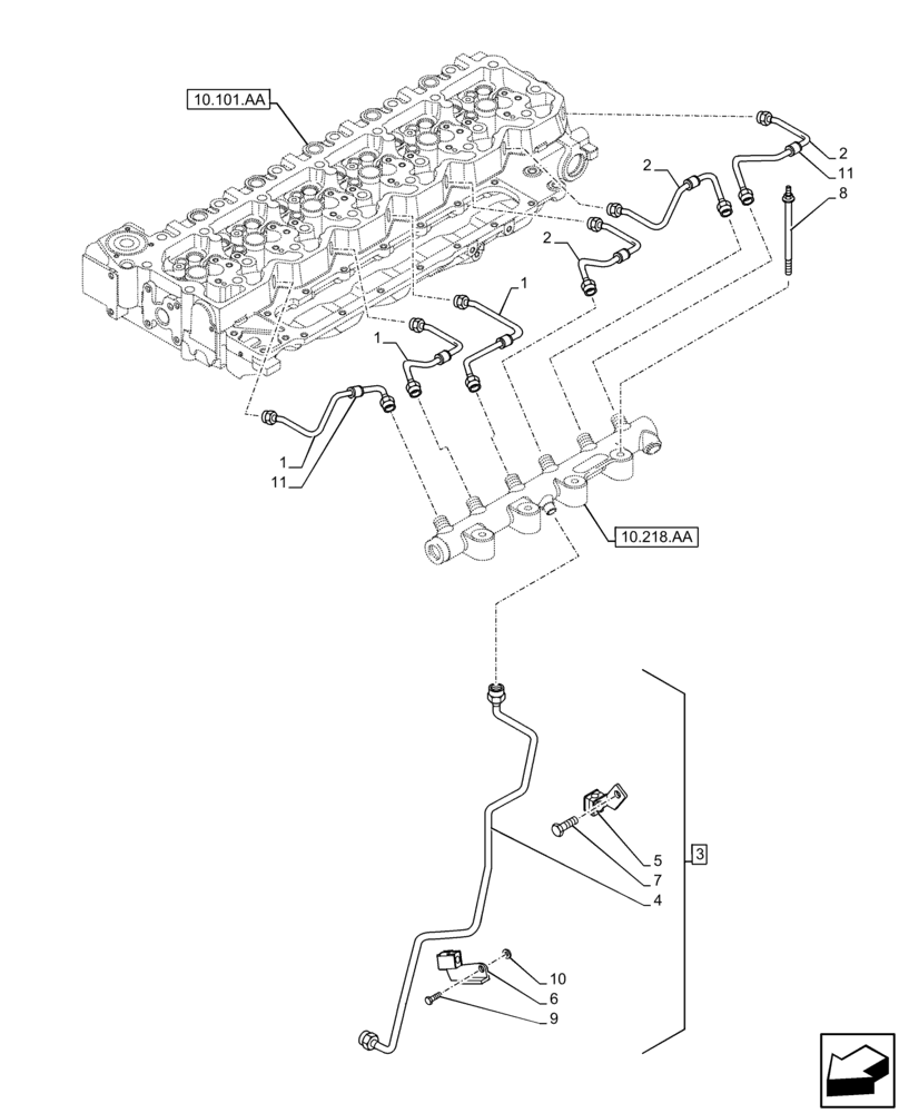
Запчасти Case F4HFE613S B004 (10.218.AI[01]) - INJECTION PIPE (10) - ENGINE

Схема запчастей Case F4HFE613S B004 - (10.218.AI[01]) - INJECTION PIPE (10) - ENGINE
9
10
2
10.218.aa
7
11
2
3
1
11
6
1
1
10.101.aa
4
2
5
8
FIT
1:1
100%

Артикул

Название

Примечание

Количество

1

2854544

INJECTION PIPE

3шт.

2

2854549

INJECTION PIPE

3шт.

3

2854552

INJECTION PIPE

ASSY, Incl 4 - 7, 10

1шт.

4

NSS

NOT SOLD SEPARAT

Tube, Incl in 3

1шт.

5

2854556

CLAMP BRACKET

2шт.

5

2854558

RUBBER SEAL

2шт.

6

2854557

CLAMP BRACKET

2шт.

6

2854555

CLAMP BRACKET

1шт.

7

2854559

SCREW

2шт.

8

2853537

BOLT,Hex Flange Head Cap M8 x 1.25 x 125mm

4шт.

9

4896884

BOLT,Flng, M8 x 1.25 x 16mm, Cl 10.9

1шт.

9

4899020

FLANGE BOLT,Hex, M8 x 1.25 x 20mm

1шт.

10

4899020

FLANGE BOLT,Hex, M8 x 1.25 x 20mm

Incl in 3

1шт.

11

2854548

SILENTBLOC

Isolator Vibration

1шт.

Выбрано товаров: 14