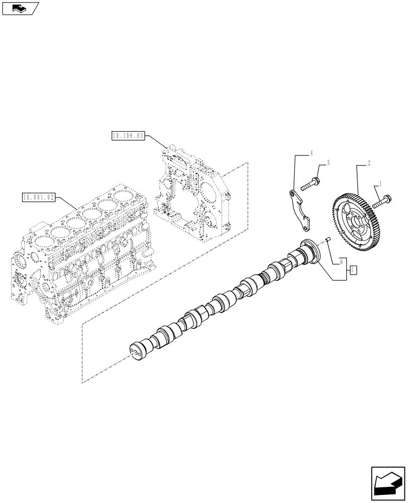
Запчасти Case F4HFE613T A004 (10.106.01) - CAMSHAFT - TIMING CONTROL (84344544) (10) - ENGINE

Схема запчастей Case F4HFE613T A004 - (10.106.01) - CAMSHAFT - TIMING CONTROL (84344544) (10) - ENGINE
3
1
2
10.106.03
6
4
home
10.001.02
5
FIT
1:1
100%

Артикул

Название

Примечание

Количество

1

4899079

SCREW,Hex Flg, M8 x 1.25 x 25

6шт.

2

4896380

DRIVEN GEAR

1шт.

3

4899068

BOLT,Flng, M8 x 1.25 x 16mm

2шт.

4

4897457

SUPPORT

1шт.

5

84342155

CAMSHAFT

Assy

1шт.

5

504345138R

REMAN-CAMSHAFT

F4HFE613T*A004 Engine 504384900 - 84232924, Assy, Reman for New PN 84342155

1шт.

5

504345138C

Return Number

1шт.

6

4899080

DOWEL,M6 x 8 L

1шт.

Выбрано товаров: 8