Запчасти Case F4HFE613T A004 (10.114.02) - POWER TAKE OFF (2852174) (10) - ENGINE

Схема запчастей Case F4HFE613T A004 - (10.114.02) - POWER TAKE OFF (2852174) (10) - ENGINE
home
3
10.106.03
2
1
FIT
1:1
100%

Артикул

Название

Примечание

Количество

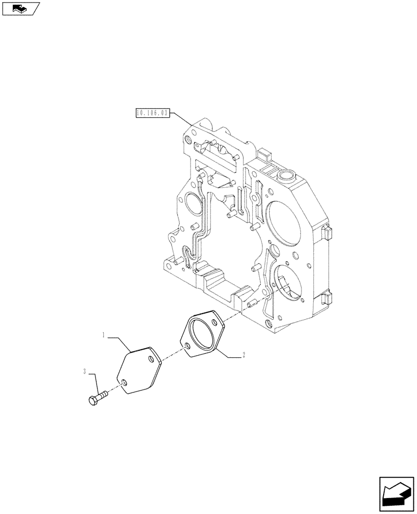
1

2852175

COVER

1шт.

2

4896897

GASKET,1.35mm Thk

1шт.

3

4899037

SCREW

M12 x 25

2шт.

Выбрано товаров: 3