Запчасти Case F4HFE613T B002 (55.015.AC) - ENGINE, SENSOR (55) - ELECTRICAL SYSTEMS

Схема запчастей Case F4HFE613T B002 - (55.015.AC) - ENGINE, SENSOR (55) - ELECTRICAL SYSTEMS
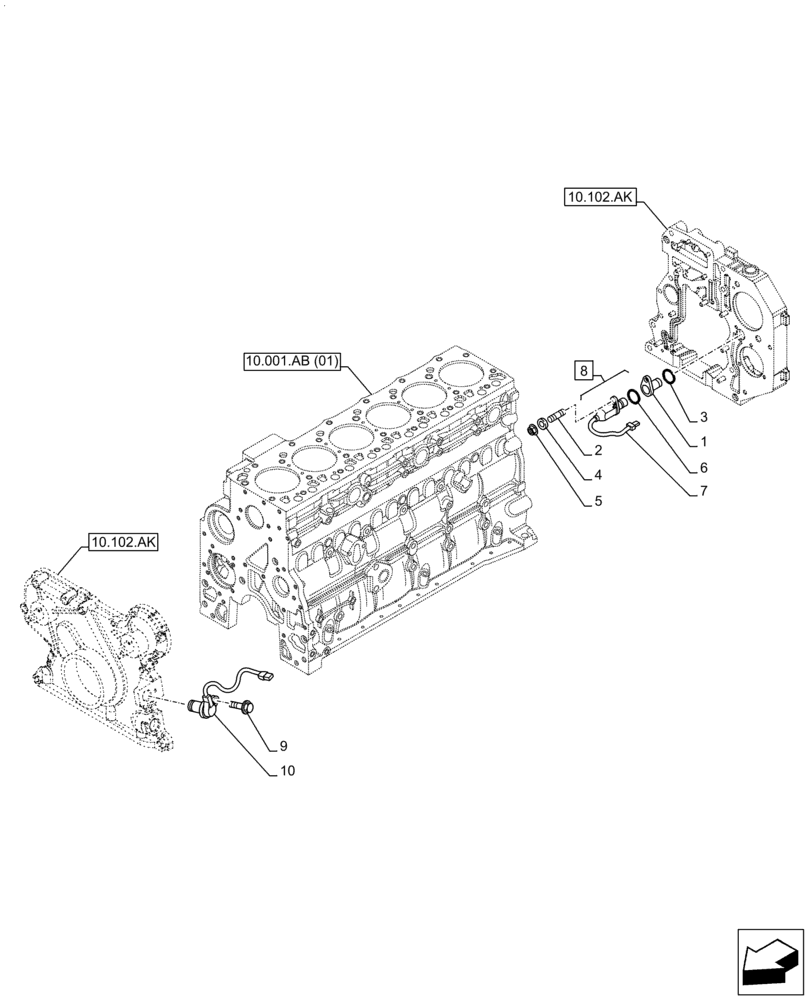
10.102.ak
6
8
2
9
10.001.ab (01)
3
5
1
10
10.102.ak
7
4
FIT
1:1
100%

Артикул

Название

Примечание

Количество

1

84370070

HOUSING

1шт.

2

84370071

STUD,M6 x 1 x 39mm

1шт.

3

4895610

O-RING,2.2mm Thk x 9.3mm ID

1шт.

4

4899124

WASHER

1шт.

5

2854282

NUT,M6 x 1

M6 x 1

1шт.

6

2852820

O-RING,0.07" Thk x 0.676" ID, 17, Cl 7, 75 Duro

1шт.

7

NSS

NOT SOLD SEPARAT

Sensor, Incl in 8

1шт.

8

4890190

SENSOR

ASSY, Incl 6, 7

1шт.

9

4899110

SCREW,Hex Flg, M6 x 1 x 20

3шт.

10

4890189

SENSOR

1шт.

Выбрано товаров: 10