Запчасти Case F4HFE613T B005 (10.304.AS) - DIPSTICK (10) - ENGINE

Схема запчастей Case F4HFE613T B005 - (10.304.AS) - DIPSTICK (10) - ENGINE
4
10.001.ab (01)
6
2
3
5
7
1
FIT
1:1
100%

Артикул

Название

Примечание

Количество

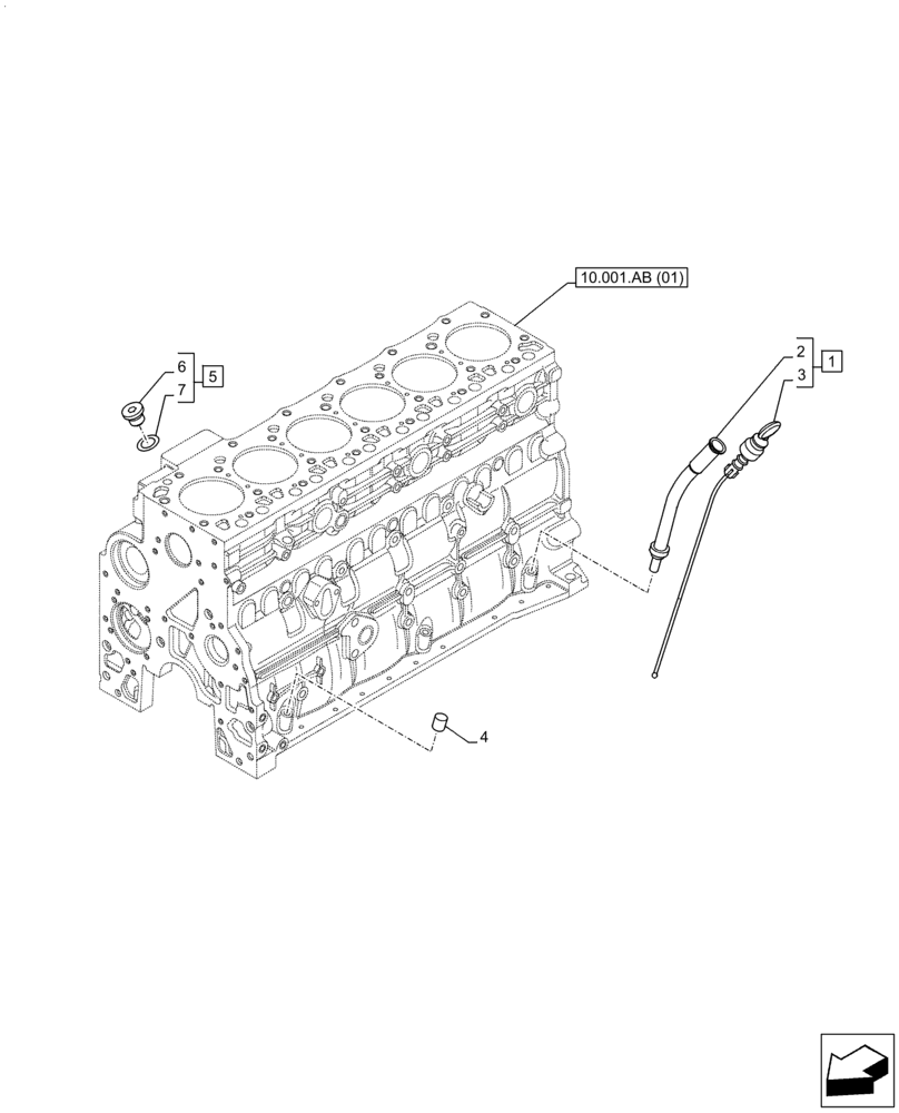
1

2852463

DIPSTICK

ASSY, Incl 2, 3

1шт.

2

2852122

TUBE,81 mm Length

1шт.

3

2852464

DIPSTICK

1шт.

4

4895406

EXPANSION PLUG,9.8mm OD

3шт.

5

4897330

HEX SOCKET PLUG,M12 x 1.5

ASSY, Incl 6, 7

2шт.

6

NSS

NOT SOLD SEPARAT

1шт.

7

4895610

O-RING,2.2mm Thk x 9.3mm ID

1шт.

Выбрано товаров: 7