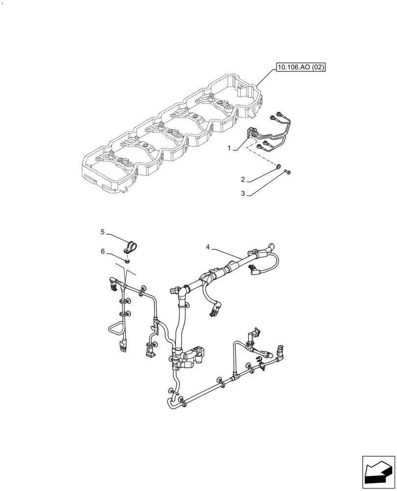
Запчасти Case F4HFE613T B006 (10.254.AC) - EXHAUST MANIFOLD (10) - ENGINE

Схема запчастей Case F4HFE613T B006 - (10.254.AC) - EXHAUST MANIFOLD (10) - ENGINE
5
1
6
4
3
2
10.106.ao (02)
FIT
1:1
100%

Артикул

Название

Примечание

Количество

1

47461401

EXHAUST MANIFOLD

1шт.

2

47461403

EXHAUST MANIFOLD

1шт.

3

2853800

MANIFOLD GASKET,1.4mm Thk

6шт.

4

47464711

SPACER,11.1mm ID x 19.1mm OD x 25mm L

12шт.

5

2852744

SCREW,Flng, M10 x 1.5 x 65mm

M10 x 1.5 x 65

8шт.

6

4899085

STUD,M10 x 1.5 x 42mm

M10

4шт.

Выбрано товаров: 6