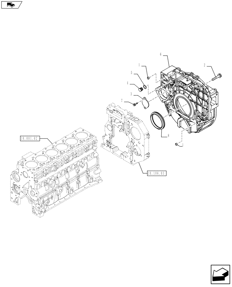
Запчасти Case F4HFE613U A006 (10.103.03) - CRANKCASE COVERS (504038705) (10) - ENGINE

Схема запчастей Case F4HFE613U A006 - (10.103.03) - CRANKCASE COVERS (504038705) (10) - ENGINE
3
1
5
8
1
home
6
10.001.02
4
2
10.106.03
7
FIT
1:1
100%

Артикул

Название

Примечание

Количество

1

4899026

DOWEL,M18 x 10

2шт.

2

4899109

SCREW,Hex, M10 x 1.5 x 80

2шт.

2

4892915

FLANGE BOLT,Hex, M10 x 1.5 x 40mm

10шт.

2

4899076

SCREW,Hex Flg, M12 x 1.75 x 80

6шт.

2

4897499

SCREW,Hex, M12 x 1.75 x 110mm

2шт.

3

4895155

COVER

1шт.

4

4895378

BUTTON PLUG,M29.2

2шт.

5

4895379

O-RING,21.82mm ID x 3.53mm Width

2шт.

6

2852425

HOUSING

1шт.

7

4899068

BOLT,Flng, M8 x 1.25 x 16mm

2шт.

8

5801483583

OIL SEAL

1шт.

Выбрано товаров: 11