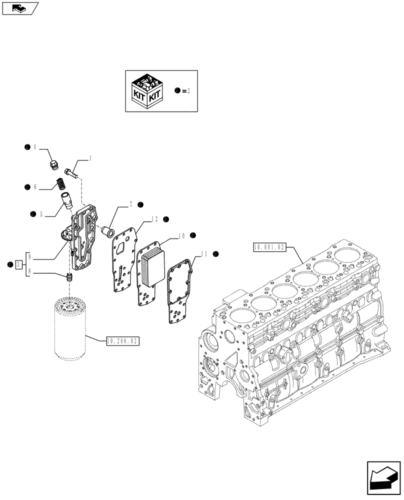
Запчасти Case F4HFE613V A003 (10.408.01) - HEAT EXCHANGER - ENGINE (504096820) (10) - ENGINE

Схема запчастей Case F4HFE613V A003 - (10.408.01) - HEAT EXCHANGER - ENGINE (504096820) (10) - ENGINE
3
12
6
home
2
1
2
5
7
8
2
2
10
11
2
2
2
2
2
10.001.02
10.206.02
2
9
4
FIT
1:1
100%

Артикул

Название

Примечание

Количество

1

4899019

SCREW,Hex Flg, M8 x 1.25 x 35

15шт.

2

2853780

FILTER HEAD

1шт.

3

4899566

FILTER HEAD

ASSY

1шт.

4

2853781

PLUG,Hex, M22 x 1.5 ORB

1шт.

5

4896404

PLUNGER,10mm ID, 12mm OD, 15.44mm ID, 18.26mm OD

1шт.

6

4895045

SPRING,Compression, 14.7mm OD x 66mm L

1шт.

7

J936365

VALVE PRESSURE RELIE

1шт.

8

4893391

ADAPTER,M24 x 2 x M27 x 2

1шт.

9

NSS

NOT SOLD SEPARAT

1шт.

10

4896406

HEAT EXCHANGER

1шт.

11

2830559

GASKET,0.5mm Thk

1шт.

12

4896409

GASKET,1.55mm Thk

1шт.

Выбрано товаров: 12