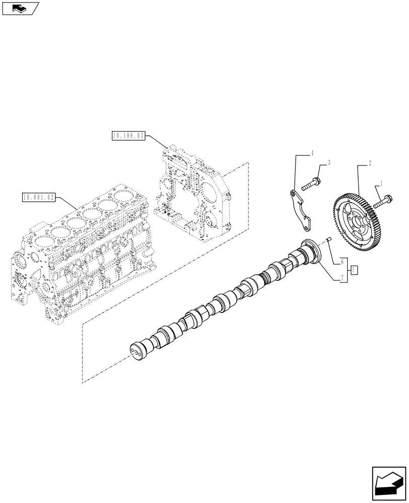
Запчасти Case F4HFE613Y A005 (10.106.01) - CAMSHAFT (10) - ENGINE

Схема запчастей Case F4HFE613Y A005 - (10.106.01) - CAMSHAFT (10) - ENGINE
1
2
home
10.001.02
10.106.03
7
3
5
6
4
FIT
1:1
100%

Артикул

Название

Примечание

Количество

1

4899079

SCREW,Hex Flg, M8 x 1.25 x 25

6шт.

2

4896380

DRIVEN GEAR

1шт.

3

4899068

BOLT,Flng, M8 x 1.25 x 16mm

2шт.

4

4897457

SUPPORT

1шт.

5

504345138

CAMSHAFT

ASSY

1шт.

5

504345138R

REMAN-CAMSHAFT

621F WHEEL LOADER - TIER 4 (NA) (1/12-), F4HFE613Y*A005 ENGINE 5801425075 - 84387923, Both ASSY

1шт.

5

504345138C

Return Number

1шт.

6

4899080

DOWEL,M6 x 8 L

1шт.

7

NSS

NOT SOLD SEPARAT

1шт.

Выбрано товаров: 9