Запчасти Case F4HFE613Y B005 (55.000.00) - SECTION INDEX - ELECTRICAL SYSTEMS (55) - ELECTRICAL SYSTEMS

Схема запчастей Case F4HFE613Y B005 - (55.000.00) - SECTION INDEX - ELECTRICAL SYSTEMS (55) - ELECTRICAL SYSTEMS
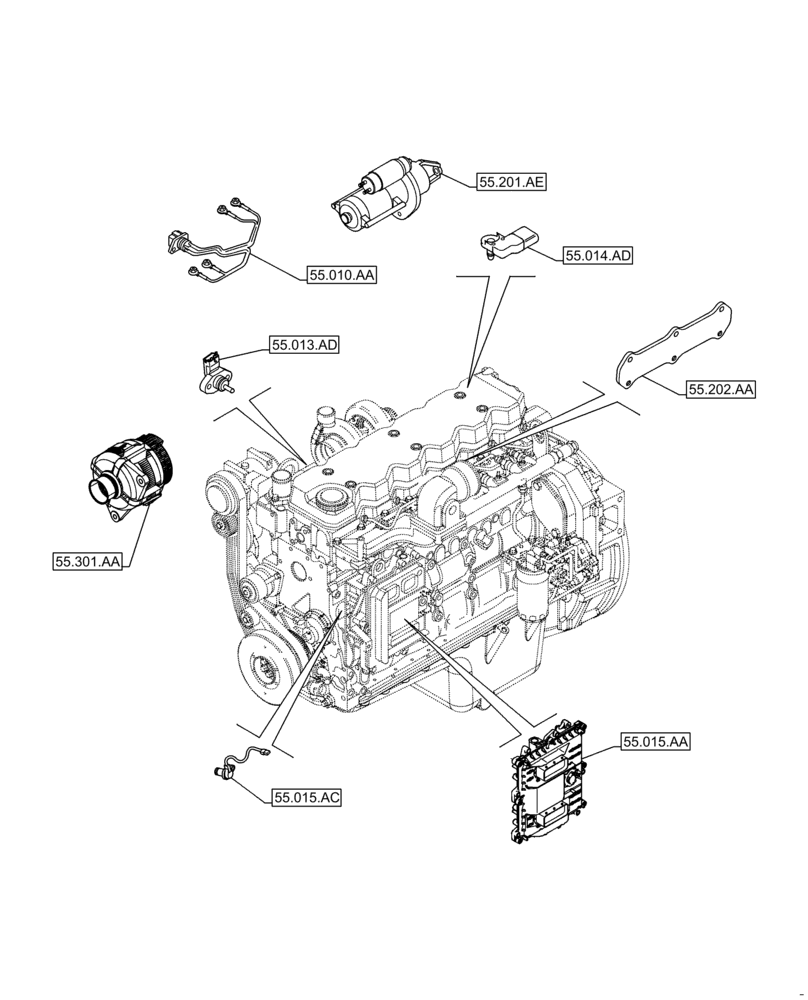
55.301.aa
55.013.ad
55.201.ae
55.010.aa
55.015.aa
55.015.ac
55.202.aa
55.014.ad
FIT
1:1
100%