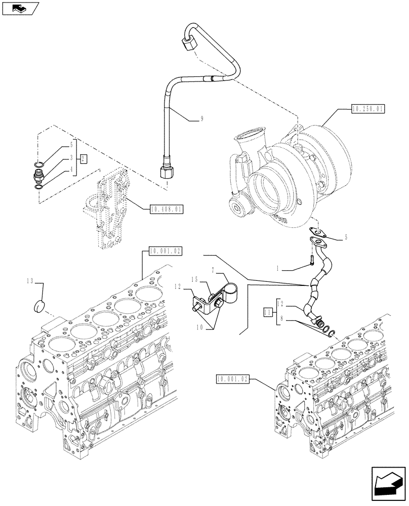
Запчасти Case F4HFE613Z A005 (10.304.05) - PIPING - ENGINE OIL (504367798) (10) - ENGINE

Схема запчастей Case F4HFE613Z A005 - (10.304.05) - PIPING - ENGINE OIL (504367798) (10) - ENGINE
10
7
11
12
1
9
15
10.001.02
10.250.01
5
2
12
10.408.01
home
5
10.001.02
13
3
8
4
FIT
1:1
100%

Артикул

Название

Примечание

Количество

1

4899079

SCREW,Hex Flg, M8 x 1.25 x 25

2шт.

2

2857015

HYD CONNECTOR,Hex, M12 x 1.5 x 6.7mm ID x 32mm L

ASSY

1шт.

3

2857015

HYD CONNECTOR,Hex, M12 x 1.5 x 6.7mm ID x 32mm L

1шт.

4

4895610

O-RING,2.2mm Thk x 9.3mm ID

1шт.

5

4891288

GASKET,0.8mm Thk

1шт.

6

4899108

O-RING,0.364mm ID x 0.07mm Width

1шт.

7

4896893

CLAMP,20mm W

1шт.

8

4899058

O-RING,0.674" ID x 0.88" OD x 0.103"

2шт.

9

84351985

FLEXIBLE HOSE

1шт.

10

16586224

SCREW,Hex Flg, M8 x 1.25 x 16mm, Cl 8.8

M8 x 16

1шт.

11

84351986

PIPE

ASSY

1шт.

12

NSS

NOT SOLD SEPARAT

1шт.

13

4895089

PLUG,0.886" L

1шт.

14

2852390

BRACKET

1шт.

15

2852389

FLANGE NUT

1шт.

Выбрано товаров: 15