Запчасти Case F4HFA613A E002 (10.101.03) - BREATHER - ENGINE (2859334) (10) - ENGINE

Схема запчастей Case F4HFA613A E002 - (10.101.03) - BREATHER - ENGINE (2859334) (10) - ENGINE
2
10
3
6
10.001.02
1
5
8
9
4
home
7
FIT
1:1
100%

Артикул

Название

Примечание

Количество

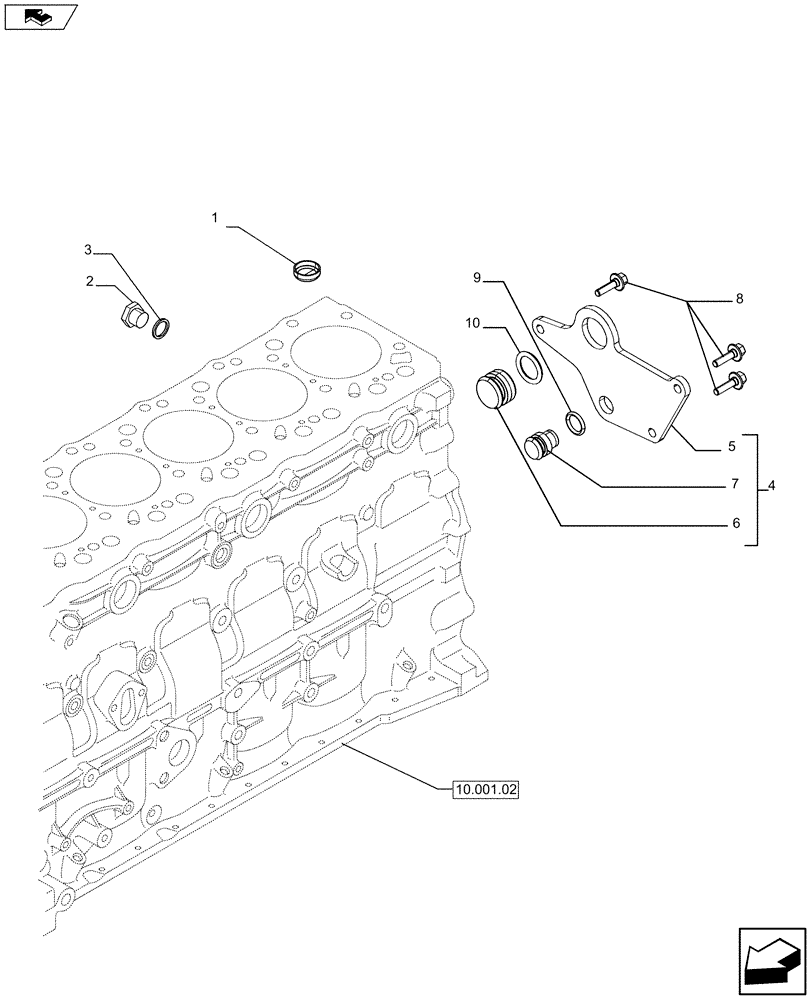
1

2856545

PLUG

1шт.

2

10300511

PLUG,M12 x 1.5 x 12, Cl5.8

1шт.

3

2854292

SEALING WASHER,12mm ID x 17mm OD x 1.5mm Thk

1шт.

4

2859335

BREATHER

1шт.

5

NSS

NOT SOLD SEPARAT

1шт.

6

NSS

NOT SOLD SEPARAT

2шт.

7

NSS

NOT SOLD SEPARAT

2шт.

8

4899110

SCREW,Hex Flg, M6 x 1 x 20

3шт.

9

4898372

O-RING,13.11mm ID x 2.62mm Width

1шт.

10

2855200

O-RING

1шт.

Выбрано товаров: 10