Запчасти Case F4HFA613F E005 (55.015.AA) - ENGINE, CONTROL, UNIT (55) - ELECTRICAL SYSTEMS

Схема запчастей Case F4HFA613F E005 - (55.015.AA) - ENGINE, CONTROL, UNIT (55) - ELECTRICAL SYSTEMS
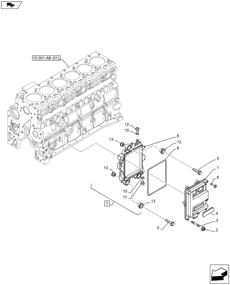
1
1
5
4
10
1
10.001.ab (01)
5
home
13
10
13
8
7
9
12
2
13
3
13
6
FIT
1:1
100%

Артикул

Название

Примечание

Количество

1

2854594

ECU

1шт.

1

2854594R

REMAN-MODULE

Reman for New PN 2854594

1шт.

1

2854594C

CORE-MODULE

Return Number

1шт.

2

4899057

FLANGE NUT,M6

M6 x 1.0

1шт.

3

2854593

STUD

1шт.

4

2852825

PLUG,100mm x 40mm L

1шт.

5

4899078

SCREW,Hex Flg, M8 x 1.25 x 45

M8 x 1.25 x 45

3шт.

6

2852818

SCREW,Hex, M6 x 1 x 30mm

M6 x 1 x 30

7шт.

7

2854595

BRACKET

ASSY, Incl 8 - 13

1шт.

8

2854596

BRACKET

1шт.

9

2854079

GASKET,6.45mm Thk

1шт.

10

2854292

SEALING WASHER,12mm ID x 17mm OD x 1.5mm Thk

2шт.

11

4890964

FITTING,M12 x 1.5

1шт.

12

4896542

HYD CONNECTOR,M12 x 1.5 ORB x 6 ORFS

1шт.

13

2855150

INSULATOR BLOCK

6шт.

Выбрано товаров: 15