Запчасти Case F4HFA613G E001 (55.015.AC) - ENGINE, SENSOR (55) - ELECTRICAL SYSTEMS

Схема запчастей Case F4HFA613G E001 - (55.015.AC) - ENGINE, SENSOR (55) - ELECTRICAL SYSTEMS
5
3
10.102.ak
1
1
9
10.001.ab (01)
7
6
4
1
2
home
1
10.102.ak
10
8
1
FIT
1:1
100%

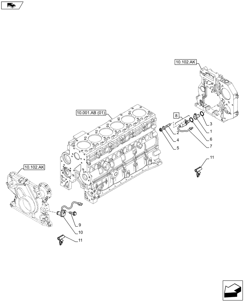
Артикул

Название

Примечание

Количество

1

84370070

HOUSING

1шт.

2

84370071

STUD,M6 x 1 x 39mm

1шт.

3

2852817

O-RING,1.7mm Thk x 23.5mm ID

1шт.

4

4899124

WASHER

1шт.

5

2854282

NUT,M6 x 1

M6 x 1

1шт.

6

2852820

O-RING,0.07" Thk x 0.676" ID, 17, Cl 7, 75 Duro

ID = 17.17 x 1.78

1шт.

7

NSS

NOT SOLD SEPARAT

Sensor, Incl in 8

1шт.

8

4890190

SENSOR

ASSY, Incl 6, 7

1шт.

9

4899110

SCREW,Hex Flg, M6 x 1 x 20

M6 x 1.0 x 20

1шт.

10

4890189

SENSOR

1шт.

11

2852486

CABLE CLIP

1шт.

Выбрано товаров: 11