Запчасти Case F4HFA613K E003 (10.001.AB[02]) - CRANKCASE (10) - ENGINE

Схема запчастей Case F4HFA613K E003 - (10.001.AB[02]) - CRANKCASE (10) - ENGINE
1
2
10.001.ab (01)
FIT
1:1
100%

Артикул

Название

Примечание

Количество

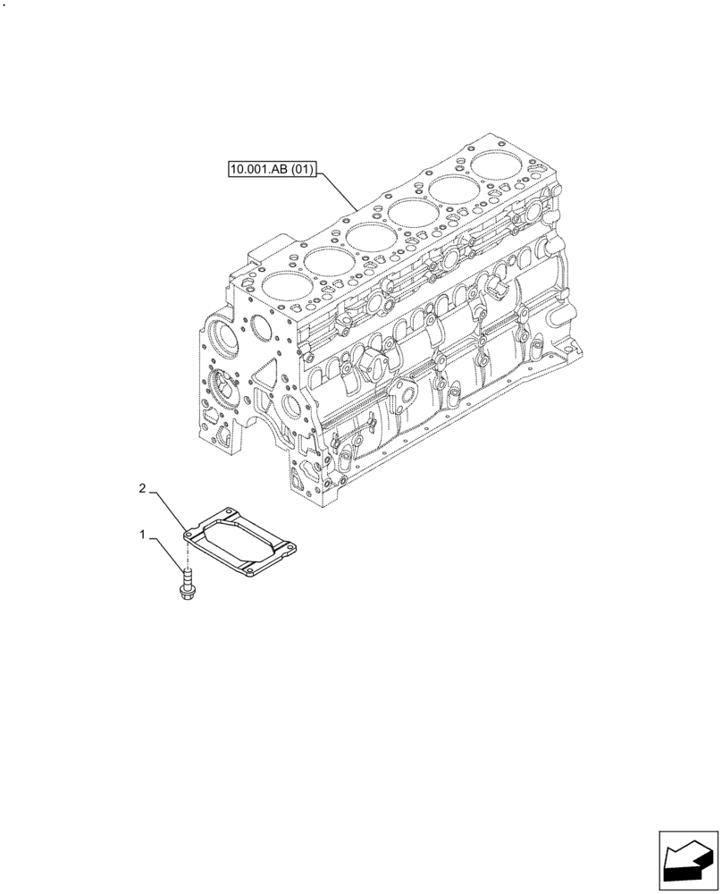
1

4899032

SCREW,Hex Flg, M10 x 1.5 x 25

4шт.

2

2852729

STIFFENER

1шт.

Выбрано товаров: 2