Качественные детали и логистика
Оригинальные и аналоговые запчасти с доставкой по России, Казахстану и Беларуси
©2022 PartSell ООО "Система" ИНН 2463123282 ОГРН 1212400004838
Центральный офис: г. Красноярск, Академика Киренского, д.87, пом.4
Телефон: 8 (800) 777-65-74 Email: zakaz@partsell.ru
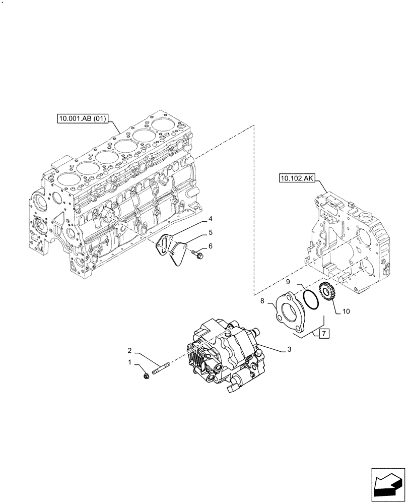
(10.218.AQ) - FUEL INJECTION PUMP
№
Артикул
Название
Примечание
Количество
1
4899003
FLANGE NUT,M8 x 1.25
3шт.
2
2852488
STUD,M8 x 1,25 x 50mm
3
NSS
NOT SOLD SEPARAT
Pump
1шт.
4
4890700
GASKET,1.21mm Thk
5
4896952
COVER
6
2852234
FLANGE BOLT,Hex, M8 x 1.25 x 20mm
2шт.
7
2852804
HUB
Assy, Incl 8, 9
8
2852806
ADAPTER
9
2852805
O-RING,2.6mm Thk x 72.6mm ID
10
4893389
DRIVEN GEAR,27T
Выбрано товаров: 0