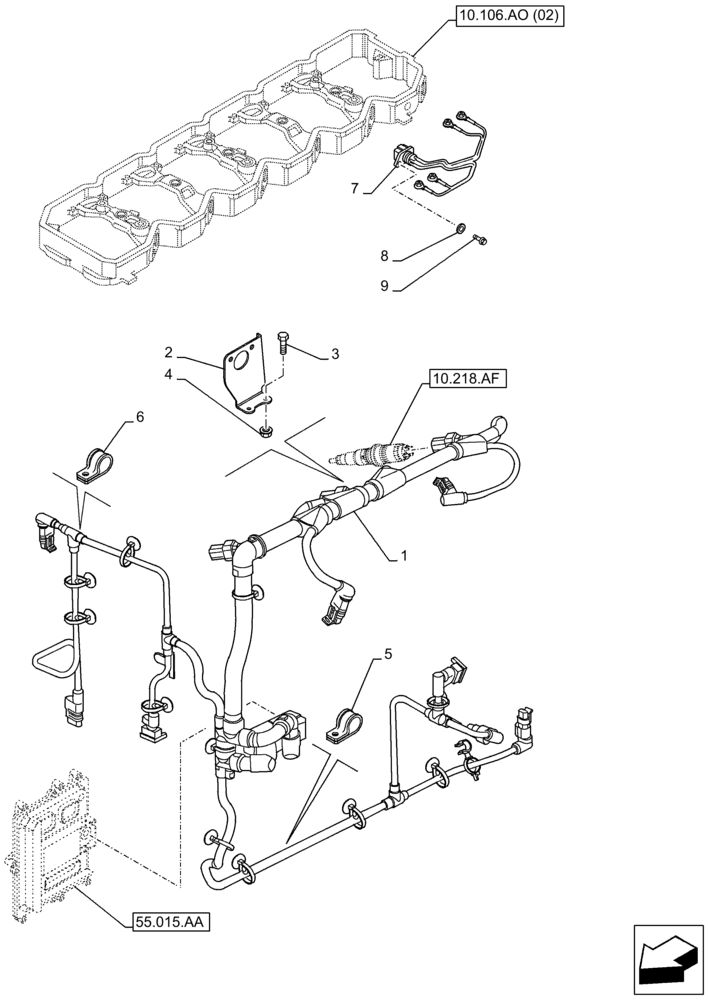
Запчасти Case F4HFA613L E001 (55.010.AA) - ENGINE, CABLE (55) - ELECTRICAL SYSTEMS

Схема запчастей Case F4HFA613L E001 - (55.010.AA) - ENGINE, CABLE (55) - ELECTRICAL SYSTEMS
55.015.aa
7
1
4
3
9
8
6
2
10.218.af
10.106.ao (02)
5
FIT
1:1
100%

Артикул

Название

Примечание

Количество

1

2854598

WIRE HARNESS

1шт.

2

2854599

BRACKET

M6, D = 16 mm

1шт.

3

2854600

SCREW

20 mm

2шт.

4

2852484

FLANGE NUT,Hex, M6 x 1

M6, D = 26 mm

3шт.

5

2852500

CLAMP

M6 x 1

2шт.

6

4899815

CLAMP,20mm, Insul, 7mm Bolt

M8, D = 12 mm

1шт.

7

47401109

WIRE HARNESS

3шт.

8

2852776

WASHER,6mm ID x 11mm OD

M6 x 11 x 1.6

3шт.

9

2852602

HEX SOC SCREW,M6 x 16mm

M6 x 1 x 16

3шт.

Выбрано товаров: 9