Запчасти Case F4HFA613M E001 (10.218.AA) - COMMON RAIL (10) - ENGINE

Схема запчастей Case F4HFA613M E001 - (10.218.AA) - COMMON RAIL (10) - ENGINE
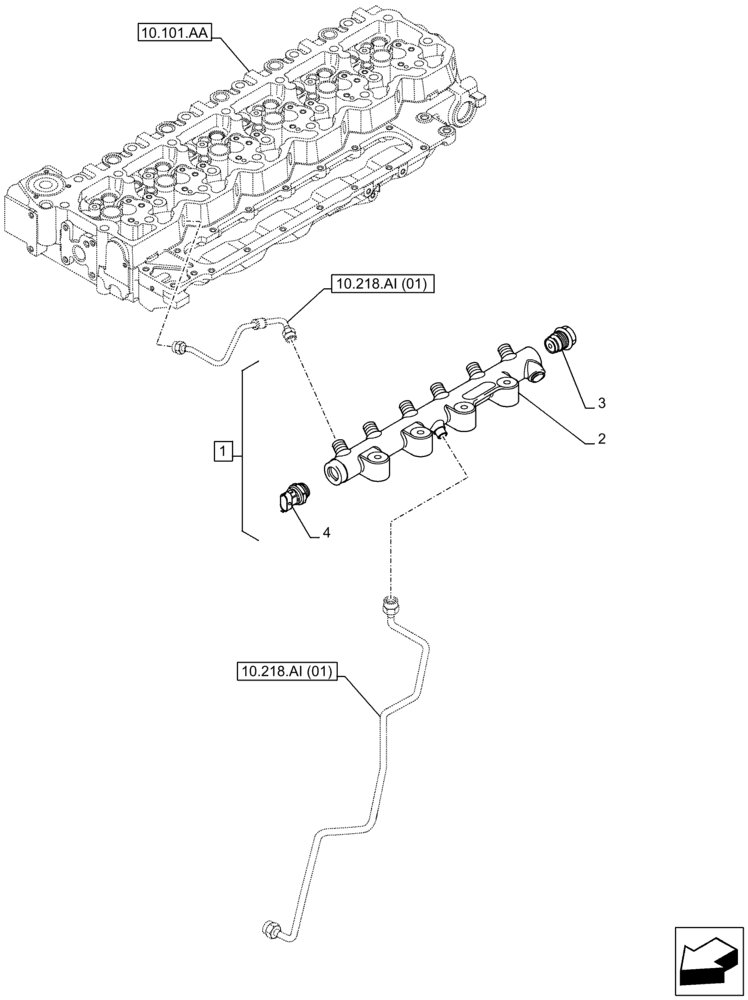
1
4
10.101.aa
2
3
10.218.ai (01)
10.218.ai (01)
FIT
1:1
100%

Артикул

Название

Примечание

Количество

1

2859144

MANIFOLD

ASSY, Incl 2 - 4

1шт.

2

NSS

NOT SOLD SEPARAT

Manifold, Incl in 1

1шт.

3

2854543

VALVE PRESSURE RELIE

1шт.

4

2859145

SENSOR

1шт.

Выбрано товаров: 4