Запчасти Case F4HFE4135 B003 (10.001.AB) - CRANKCASE (10) - ENGINE

Схема запчастей Case F4HFE4135 B003 - (10.001.AB) - CRANKCASE (10) - ENGINE
10.106.ao (01)
10
1
22
3
11
21
4
20
14
17
6
2
18
16
3
13
19
15
8
5
9
12
7
23
10.106.aa
FIT
1:1
100%

Артикул

Название

Примечание

Количество

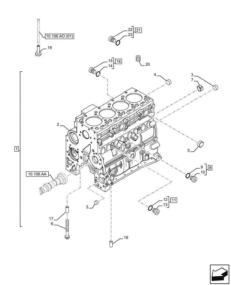
1

47667917

CYLINDER BLOCK

ASSY, Cylinder block, Incl 2 - 7, 17

1шт.

2

NSS

NOT SOLD SEPARAT

Crankcase, Incl in 1

1шт.

3

4895039

EXPANSION PLUG,M17.73

3шт.

4

4895038

EXPANSION PLUG,M58.06

4шт.

5

4895228

EXPANSION PLUG,35.23mm x 7.94mm

2шт.

6

4891353

SCREW,Flg Hd, M12 x 1.5 x 120

10шт.

7

4895040

BUSHING,54.39mm ID x 59.39mm OD x 25.4mm L

1шт.

8

4895605

HEX SOCKET PLUG,M14 x 1.5

ASSY, Incl 9,10

2шт.

9

4899115

O-RING,2.2mm Thk x 11.3mm ID

1шт.

10

NSS

NOT SOLD SEPARAT

Plug, Incl in 8

1шт.

11

4899009

PLUG,M10 x1

ASSY, Incl 12, 13

1шт.

12

4899072

O-RING,1.6mm Thk x 8.1mm ID

1шт.

13

NSS

NOT SOLD SEPARAT

Plug, Incl in 11

1шт.

14

4895393

O-RING,2.2mm Thk x 15.3mm ID

2шт.

15

4895394

HEX SOCKET PLUG,M18 x 1.5

2шт.

16

4895392

HEX SOCKET PLUG,M18 x 1.5

ASSY, Incl 14, 15

2шт.

17

4899026

DOWEL,M18 x 10

4шт.

18

4895049

DOWEL,M16.05 x 10

2шт.

19

4899803

TAPPET

8шт.

20

47667923

UNION

4шт.

21

4895080

HEX SOCKET PLUG,M22 x 1.5

ASSY, Incl 22, 23

2шт.

22

4895078

PIPE PLUG,1/2"-14

1шт.

23

4895082

O-RING,19.3mm ID x 2.2mm Width

2шт.

Выбрано товаров: 23