Качественные детали и логистика
Оригинальные и аналоговые запчасти с доставкой по России, Казахстану и Беларуси
©2022 PartSell ООО "Система" ИНН 2463123282 ОГРН 1212400004838
Центральный офис: г. Красноярск, Академика Киренского, д.87, пом.4
Телефон: 8 (800) 777-65-74 Email: zakaz@partsell.ru
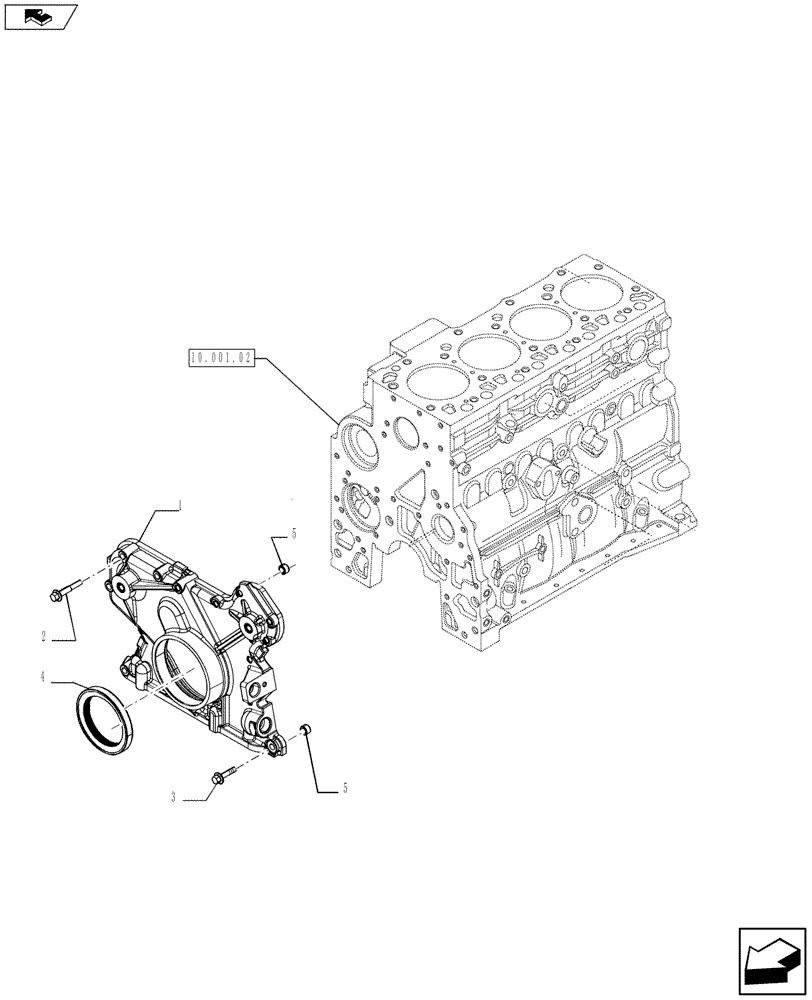
(10.102.02) - CRANKCASE COVERS (2855757)
№
Артикул
Название
Примечание
Количество
1
4897025
COVER
FRONT
1шт.
2
4899078
SCREW,Hex Flg, M8 x 1.25 x 45
5шт.
3
4899063
SCREW,Hex Flg, M8 x 1.25 x 30
8шт.
4
4890832
OIL SEAL,M70 x 100 x 12.5/16
5
4891209
DOWEL,M13 x 8 L
2шт.
Выбрано товаров: 5