Запчасти Case F4HFE413A E001 (10.408.01) - HEAT EXCHANGER - ENGINE (2855778 - 2852525) (10) - ENGINE

Схема запчастей Case F4HFE413A E001 - (10.408.01) - HEAT EXCHANGER - ENGINE (2855778 - 2852525) (10) - ENGINE
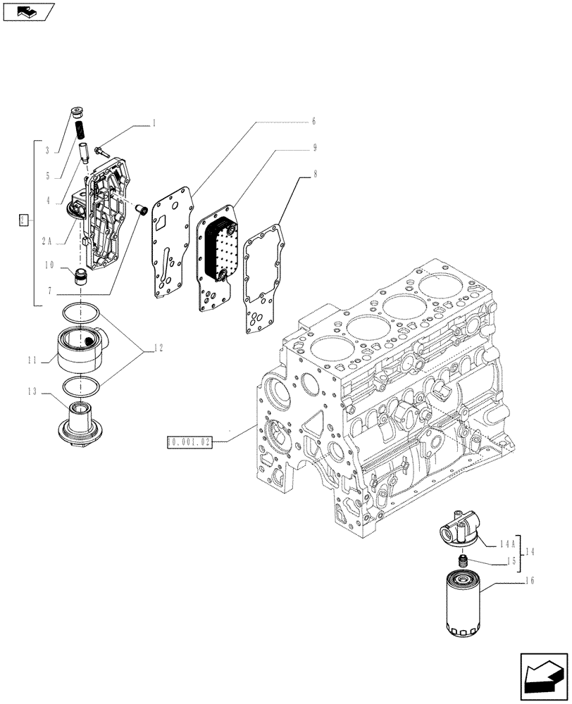
14a
16
2a
12
5
1
2
15
home
10.001.02
13
7
6
4
10
11
9
3
14
8
FIT
1:1
100%

Артикул

Название

Примечание

Количество

1

4899019

SCREW,Hex Flg, M8 x 1.25 x 35

15шт.

2

2853780

FILTER HEAD

ASSY

1шт.

2a

NSS

NOT SOLD SEPARAT

1шт.

3

2853781

PLUG,Hex, M22 x 1.5 ORB

1шт.

4

4896404

PLUNGER,10mm ID, 12mm OD, 15.44mm ID, 18.26mm OD

1шт.

5

4895045

SPRING,Compression, 14.7mm OD x 66mm L

1шт.

6

4896409

GASKET,1.55mm Thk

1шт.

7

J936365

VALVE PRESSURE RELIE

1шт.

8

2830559

GASKET,0.5mm Thk

1шт.

9

2853722

HEAT EXCHANGER

1шт.

9

4896406

HEAT EXCHANGER

1шт.

10

4893391

ADAPTER,M24 x 2 x M27 x 2

1шт.

11

84528199

FITTING

1шт.

12

2853437

O-RING,0.139" Thk x 2.359" ID, -229, Cl 5, 75 Duro

2шт.

13

2853438

THREADED BUSHING

1шт.

14

84530850

HOUSING

1шт.

14a

NSS

NOT SOLD SEPARAT

1шт.

15

4893391

ADAPTER,M24 x 2 x M27 x 2

1шт.

16

84228488

ENGINE OIL FILTER

1шт.

Выбрано товаров: 19