Запчасти Case F4HFE413A E002 (10.103.03) - CRANKCASE COVERS (2856956) (10) - ENGINE

Схема запчастей Case F4HFE413A E002 - (10.103.03) - CRANKCASE COVERS (2856956) (10) - ENGINE
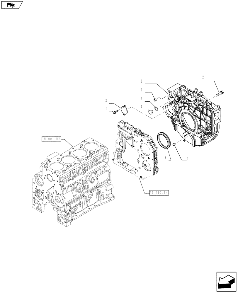
2
1
7
1
10.001.02
8
5
home
4
3
10.102.04
6
FIT
1:1
100%

Артикул

Название

Примечание

Количество

1

4899026

DOWEL,M18 x 10

2шт.

2

4899109

SCREW,Hex, M10 x 1.5 x 80

2шт.

2

4892915

FLANGE BOLT,Hex, M10 x 1.5 x 40mm

10шт.

2

4899076

SCREW,Hex Flg, M12 x 1.75 x 80

6шт.

2

4899143

SCREW,Hex Flg, M10 x 1.5 x 140

1шт.

2

2852865

FLANGE BOLT,Hex, Shldr, Lkg, M10 x 33mm

2шт.

2

4897499

SCREW,Hex, M12 x 1.75 x 110mm

M12 x 110

2шт.

3

4895155

COVER

1шт.

4

4895378

BUTTON PLUG,M29.2

1шт.

5

4895379

O-RING,21.82mm ID x 3.53mm Width

1шт.

6

4890833

OIL SEAL,M130 x 155 x 12.5/16

1шт.

8

2856957

HOUSING

Flywheel

1шт.

7

4899068

BOLT,Flng, M8 x 1.25 x 16mm

2шт.

Выбрано товаров: 13