Запчасти Case F4HFE413C A002 (10.304.AP) - ENGINE, BREATHER (10) - ENGINE

Схема запчастей Case F4HFE413C A002 - (10.304.AP) - ENGINE, BREATHER (10) - ENGINE
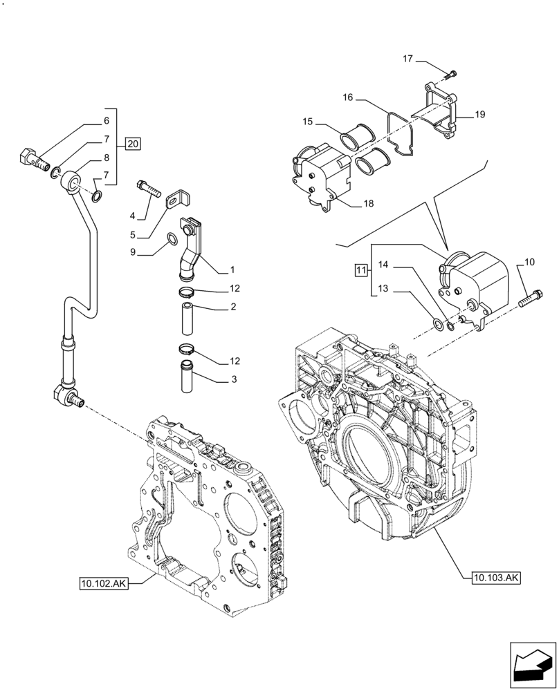
4
16
12
3
14
13
7
7
6
18
5
20
19
10.103.ak
17
1
9
10
12
8
2
11
15
10.102.ak
FIT
1:1
100%

Артикул

Название

Примечание

Количество

1

4897534

TUBE

1шт.

2

4897546

RUBBER SLEEVE

1шт.

2

2854521

HOSE

1шт.

3

4897547

TUBE

1шт.

4

4897537

SCREW

1шт.

5

4897536

BRACKET

1шт.

6

2852772

BANJO BOLT

2шт.

7

4899926

SEALING WASHER,11.8mm ID x 18.0mm OD x 1.5mm Thk

4шт.

8

NSS

NOT SOLD SEPARAT

Pipe, Incl in 20

1шт.

9

4898439

O-RING,20.29mm ID x 2.62mm Width

1шт.

10

4899092

SCREW,Hex Flg, M6 x 1 x 25

3шт.

11

4892871

BREATHER

Assy, Incl 13 - 19

1шт.

12

4893234

HOSE CLAMP

2шт.

12

2831016

HOSE CLAMP

1шт.

13

4898372

O-RING,13.11mm ID x 2.62mm Width

1шт.

14

2830304

O-RING

1шт.

15

NSS

NOT SOLD SEPARAT

Filter, Incl in 11

2шт.

16

NSS

NOT SOLD SEPARAT

Filter, Incl in 11

1шт.

17

2830301

SELF-TAP SCREW

6шт.

18

2830307

BREATHER

1шт.

19

2830302

COVER

1шт.

20

4899219

TUBE

Assy, Incl 6 - 8

1шт.

Выбрано товаров: 22