Запчасти Case F4HFE413C A002 (10.408.AO) - ENGINE OIL, COOLER (10) - ENGINE

Схема запчастей Case F4HFE413C A002 - (10.408.AO) - ENGINE OIL, COOLER (10) - ENGINE
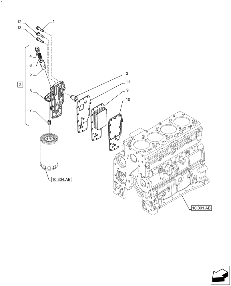
9
2
3
1
7
5
10.304.ae
10
13
6
11
12
10.001.ab
4
8
FIT
1:1
100%

Артикул

Название

Примечание

Количество

1

4899019

SCREW,Hex Flg, M8 x 1.25 x 35

10шт.

2

47577032

FILTER HEAD

Assy; Incl 3 - 8

1шт.

3

J936365

VALVE PRESSURE RELIE

1шт.

4

2853781

PLUG,Hex, M22 x 1.5 ORB

1шт.

5

4896404

PLUNGER,10mm ID, 12mm OD, 15.44mm ID, 18.26mm OD

1шт.

6

4895045

SPRING,Compression, 14.7mm OD x 66mm L

1шт.

7

4893391

ADAPTER,M24 x 2 x M27 x 2

1шт.

8

NSS

NOT SOLD SEPARAT

Housing; Incl in 2

1шт.

9

4896407

OIL COOLER

1шт.

10

2830559

GASKET,0.5mm Thk

1шт.

11

2831317

GASKET,0.9mm Thk

1шт.

12

4895609

BOLT,Flng, M8 x 1.25 x 100mm

2шт.

13

4899041

SCREW,Hex Flg, M8 x 1.25 x 60

3шт.

Выбрано товаров: 13