Качественные детали и логистика
Оригинальные и аналоговые запчасти с доставкой по России, Казахстану и Беларуси
©2022 PartSell ООО "Система" ИНН 2463123282 ОГРН 1212400004838
Центральный офис: г. Красноярск, Академика Киренского, д.87, пом.4
Телефон: 8 (800) 777-65-74 Email: zakaz@partsell.ru
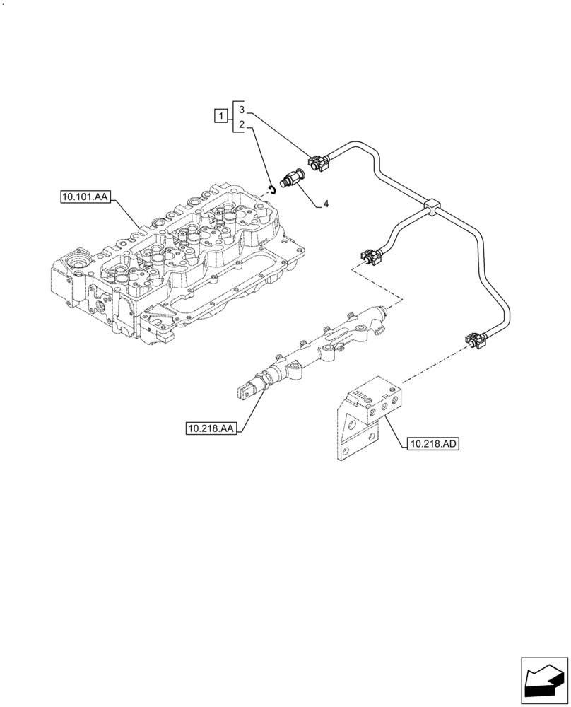
(10.210.AF) - FUEL LINE
№
Артикул
Название
Примечание
Количество
1
2859497
RETURN PIPE
Assy; Incl 2; 3
1шт.
2
4894095
O-RING,2.5mm Thk x 8mm ID, 60 Duro
4шт.
3
2854572
90 ELBOW
2шт.
4
4896329
VALVE PRESSURE RELIE,M12 x 1.5
Выбрано товаров: 0