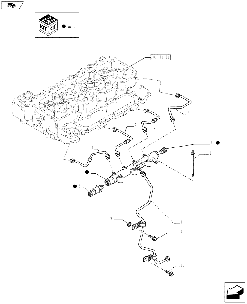
Запчасти Case F4HFE413H A001 (10.218.03) - INJECTION EQUIPMENT - PIPING (2857016) (10) - ENGINE

Схема запчастей Case F4HFE413H A001 - (10.218.03) - INJECTION EQUIPMENT - PIPING (2857016) (10) - ENGINE
3
10
9
8
10.101.01
1
8
7
2
1
5
home
6
1
7
4
1
1
FIT
1:1
100%

Артикул

Название

Примечание

Количество

1

2859255

MANIFOLD

ASSY

1шт.

2

2853537

BOLT,Hex Flange Head Cap M8 x 1.25 x 125mm

3шт.

3

4899020

FLANGE BOLT,Hex, M8 x 1.25 x 20mm

1шт.

4

2854543

VALVE PRESSURE RELIE

1шт.

5

2859145

SENSOR

1шт.

6

2857022

PIPE

1шт.

7

2857017

PIPE

2шт.

8

2857020

PIPE

2шт.

9

2852434

SPACER

1шт.

10

4896884

BOLT,Flng, M8 x 1.25 x 16mm, Cl 10.9

1шт.

Выбрано товаров: 10