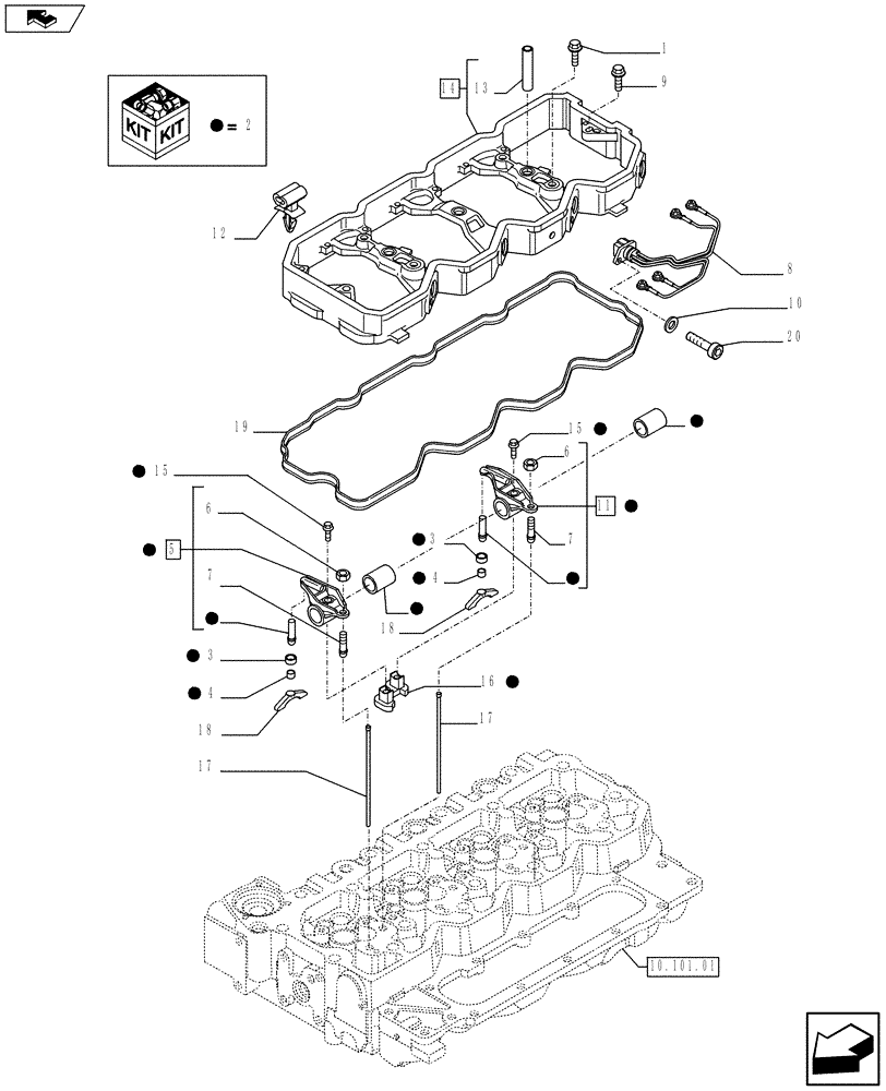
Запчасти Case F4HFE413H A007 (10.106.02) - ROCKER SHAFT (2854376) (10) - ENGINE

Схема запчастей Case F4HFE413H A007 - (10.106.02) - ROCKER SHAFT (2854376) (10) - ENGINE
16
2
2
2
17
4
8
18
11
19
2
15
7
10
2
1
20
2
15
2
2
3
4
17
10.101.01
2
12
14
3
13
6
7
2
5
9
6
home
2
2
2
2
2
18
FIT
1:1
100%

Артикул

Название

Примечание

Количество

1

4895432

SCREW,M8 x 1.25 x 70mm

M8 x 1.25 x 70

5шт.

2

2859460

ROCKER ARM

ASSY

6шт.

3

4897248

RETAINER

2шт.

4

4897245

SOCKET

2шт.

5

2859462

ROCKER ARM

ASSY

1шт.

6

2859467

NUT,Hex, 3/8" - 24, RH

2шт.

7

2859468

ADJUSTMENT SCREW,3/8" - 24 x 23.85mm

2шт.

8

4896052

WIRE HARNESS

2шт.

9

4899089

SCREW,Hex Flg, M8 x 1.25 x 50

2шт.

10

2852776

WASHER,6mm ID x 11mm OD

6 x 11

2шт.

11

2859461

ROCKER ARM

ASSY

1шт.

12

2852428

WIRE CLAMP,6mm ID

4шт.

13

4899245

SLEEVE,9mm ID x 13.9mm OD x 55.25mm L

3шт.

14

4899256

HOUSING

ASSY

1шт.

15

2856460

BOLT,Flng, M8 x 1.25 x 55.5mm, Cl 10.9

2шт.

16

2859463

SUPPORT

1шт.

17

4895031

PUSH ROD

8шт.

18

2854530

BRIDGE

8шт.

19

2853535

GASKET,10.35mm Thk

1шт.

20

2852602

HEX SOC SCREW,M6 x 16mm

M6 x 16

2шт.

Выбрано товаров: 20