Качественные детали и логистика
Оригинальные и аналоговые запчасти с доставкой по России, Казахстану и Беларуси
©2022 PartSell ООО "Система" ИНН 2463123282 ОГРН 1212400004838
Центральный офис: г. Красноярск, Академика Киренского, д.87, пом.4
Телефон: 8 (800) 777-65-74 Email: zakaz@partsell.ru
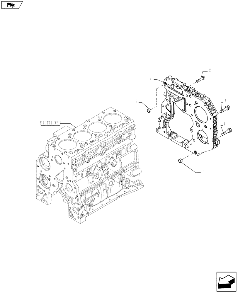
(10.102.04) - CRANKCASE COVERS (2856953)
№
Артикул
Название
Примечание
Количество
1
4899026
DOWEL,M18 x 10
2шт.
2
4899078
SCREW,Hex Flg, M8 x 1.25 x 45
4шт.
3
4899093
BOLT,Hex Flange, M10 x 30.00mm, Cl 10.9, PHC
4899073
SCREW,Hex Flg, M12 x 1.75 x 30
1шт.
4
4896939
SCREW,M10 x 1.5 x 50mm
3шт.
5
2856954
HOUSING
Выбрано товаров: 0