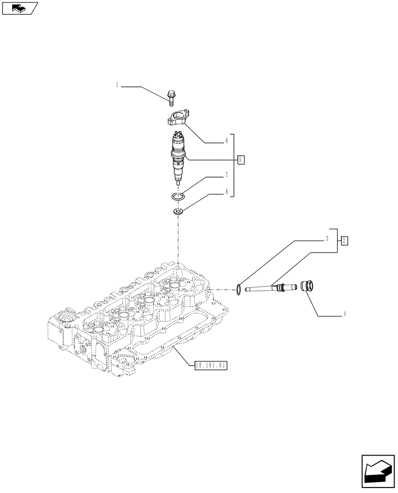
Запчасти Case F4HFE413J A003 (10.218.02) - INJECTION EQUIPMENT - INJECTOR (2855900) (10) - ENGINE

Схема запчастей Case F4HFE413J A003 - (10.218.02) - INJECTION EQUIPMENT - INJECTOR (2855900) (10) - ENGINE
8
7
1
4
6
home
2
5
10.101.01
3
FIT
1:1
100%

Артикул

Название

Примечание

Количество

1

4895483

BOLT,Flng, M6 x 1 x 35mm

8шт.

2

2854606

FUEL TUBE,Connector Assembly

ASSY

4шт.

3

4890929

O-RING,3mm Thk x 11mm ID

1шт.

4

4893739

TUBE NUT,Hex, M22 x 1.5

4шт.

5

2855135

FUEL SYSTEM INJECTOR

ASSY

4шт.

5

2855135R

REMAN-FUEL INJECTOR

Reman For New PN 2855135

4шт.

5

2855135C

CORE-FUEL INJECTOR

Return Number

4шт.

6

2854609

BRACKET

1шт.

7

4890926

O-RING,3mm Thk x 20.9mm ID, 60 Duro

1шт.

8

4899689

SEALING WASHER,7mm ID x 15mm OD x 1.5mm Thk

1шт.

Выбрано товаров: 10