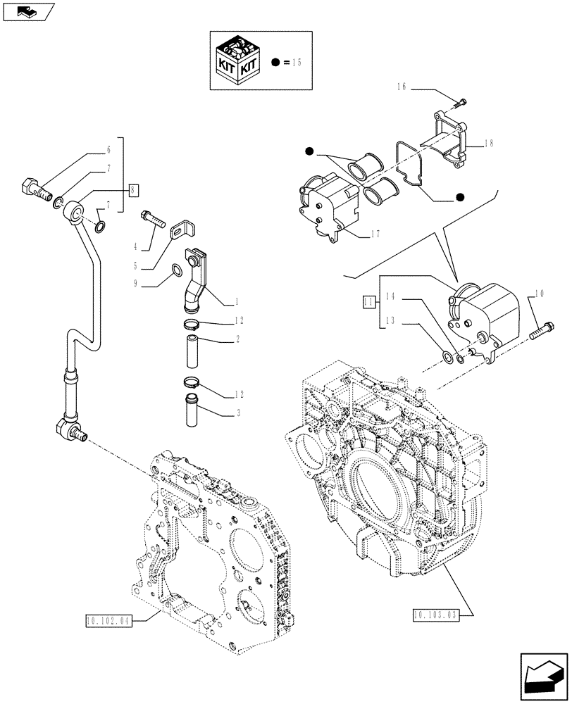
Запчасти Case F4HFE413J A003 (10.101.03) - BREATHER - ENGINE (2854086) (10) - ENGINE

Схема запчастей Case F4HFE413J A003 - (10.101.03) - BREATHER - ENGINE (2854086) (10) - ENGINE
6
18
17
10.103.03
home
10.102.04
4
9
13
3
12
7
16
11
2
15
15
1
15
7
15
10
12
5
14
8
FIT
1:1
100%

Артикул

Название

Примечание

Количество

1

4897534

TUBE

1шт.

2

4897546

RUBBER SLEEVE

1шт.

3

4897547

TUBE

1шт.

4

4897537

SCREW

1шт.

5

4897536

BRACKET

1шт.

6

2852772

BANJO BOLT

M12 x 1.5 x 30

2шт.

7

4899926

SEALING WASHER,11.8mm ID x 18.0mm OD x 1.5mm Thk

4шт.

8

4899219

TUBE

ASSY

1шт.

9

4898439

O-RING,20.29mm ID x 2.62mm Width

D = 20.2 SP=2.62

1шт.

10

4899092

SCREW,Hex Flg, M6 x 1 x 25

3шт.

11

4892871

BREATHER

ASSY

1шт.

12

4893234

HOSE CLAMP

2шт.

13

4898372

O-RING,13.11mm ID x 2.62mm Width

D = 13.11

1шт.

14

2830304

O-RING

D = 10.6

1шт.

15

2992447

FILTER

ASSY

1шт.

16

2830301

SELF-TAP SCREW

6шт.

17

2830307

BREATHER

1шт.

18

2830302

COVER

1шт.

Выбрано товаров: 18